EasyManua.ls Logo

Sharp CD-PC672 - Page 24

Sharp CD-PC672
67 pages
Print Icon
To Next Page IconTo Next Page
To Next Page IconTo Next Page
To Previous Page IconTo Previous Page
To Previous Page IconTo Previous Page
Loading...
– 27 –
CD-PC672
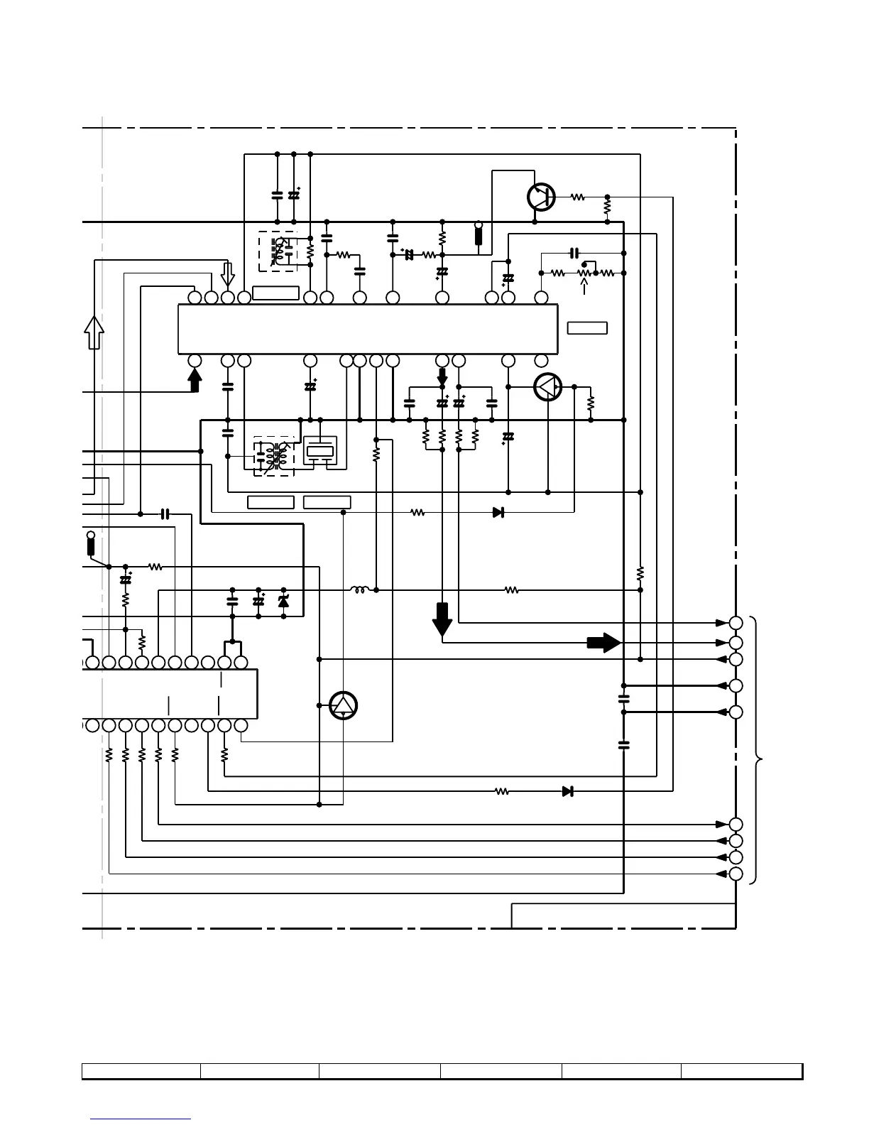
Figure 27 SCHEMATIC DIAGRAM (8/12)
7
8 9 10 11 12
C319
0.0047
C393
0.027(ML)
C356
0.022
R352
10K
ZD351
DZ5.1BSB
C357
47/25
5
C354
1/50
R351
1.5K
R386
390
CF351
C392
1/50
R382
1.5K
C390
0.022
R394
2.7K
C382
0.0022
C384
0.018
C385
3.3/50
R396
3.3K
R391
47K
R38
3.9K
R381
33K
C389
0.022
C383
220P
C391
22/16
C394
0.027(ML)
IC303
LA1805
R389
10K
D381
DS1SS133
L317
100µH
IC302
LC72131
R353
2.2K
R387
680
C387
3.3/50
C380
0.022
C396
1/50
C395
1/50
R395
3.3K
R393
2.7K
C381
220/16
Q381
KRA109 M
R385
10K
R357 1K
R356 1K
R354 1K
R361
47K
R355 1K
Q351
KRA102 M
C355
100P
C386
3.3/50
Q382
KTC3199 GR
R398
47K
R397
10K
D382
DS1SS133
R399
47K
R390
2.2K
NC
NC
NC
NC
IO2
TUN_MUTE
TP302
PLL
CONTROLLER
VSS
A OUT
A IN
PD
VDD
FM IN
AM IN
IF IN
IO1
BO4
BO1
DO
CL
DI
CE
AM
OSC
AM
+B
AM
RF
AM
IF
AM
MIX
AM/
FM
FM
+B
FM DET
DET OUT
FM IF
IN
GND
ST
IND
TUN
IND
L CH
R CH
VCO
FM–
M/ST
MPX
–IN
IF
T381
T382
A_12V
TUN_R
TUN_L
DO
CL
DI
CE
A_GND
D_GND
(AUDIO)
(A_GND)
(D_GND)
21
20
19
18
17
16
15
14
13
12
11
10
9
8
7
6
5
4 3 2
24
23
22
21
20
19
18
17
16
15
14
13
12
11
10
9
8
7
6
5
4
3
2 1
C388
0.0015
VR381
6.8K
R383
1.2K
R384
15K
1
2 3
+B
FM DET
AM IF AM IF
1
2
3
VCO
+B
+B
+B
+B
+B
+B
1
2
3
+B
C321
56P
4
5
3
2
10
6
9
8
7
FM/AM IF MPX.
MAIN PWB-A1(3/3)
R358 1K
FROM MAIN SECTION
P22 2-A

Related product manuals