EasyManua.ls Logo

Sharp CD-PC672 - Page 28

Sharp CD-PC672
67 pages
Print Icon
To Next Page IconTo Next Page
To Next Page IconTo Next Page
To Previous Page IconTo Previous Page
To Previous Page IconTo Previous Page
Loading...
– 31 –
CD-PC672
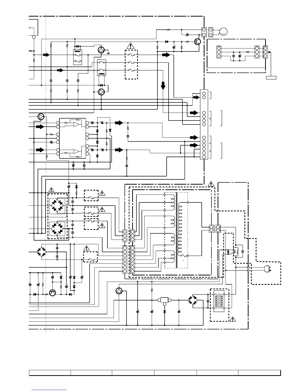
Figure 31 SCHEMATIC DIAGRAM (12/12)
7
8 9 10 11 12
9
61
3
9K
Q906
KRC107 M
RL902
Q907
KRC107 M
R964
4.7K
R965
4.7K
C937
0.047
(ML)
C935
0.047
(ML)
C940
0.1
(ML)
R940
4.7
R937
4.7
R934
4.7
R812
10
R804 47K
C803 47/50
ZD801
DZ6R2BSA
C802
100/35
C959
0.047
(ML)
R949
4.7
R944
4.7
C949
0.047
(ML)
PT801
POWER TRANSFORMER
R942
270
(1/2W)
D906
1N4004S
D905
1N4004S
D904
1N4004S
C811
220/50
ZD802
DZ300BSB
R806
2.2K
Q801
KTA1274 Y
C804
47/50
C818
1000/6.3
IC803
AN78L05
CONSTANT
VOLTAGE
REGULATOR
3 1
D903
DS1SS133
R966
15K
R932
18K
C941
0.022
C938
47/35
R941
270
(1/2W)
C944
1000/25
C945
2200/25
C943
47/50
C942
47/50
C817
4.7/50
D817
DS1SS133
R807
10K
R808
220
Q802
KRC107 M
D814
DS1SS133
(251)
(251)
D813
DS1SS133
D812
DS1SS133
D811
DS1SS133
C814
0.047
PT802
POWER
TRANSFORMER
C816
10/16
D810
DS1SS133
C815
470/35
C808
0.047
(ML)
C807
0.047
(ML)
D801
TS6B04GM
D802
TS6B04GM
C809
0.047
(ML)
C810
0.047
(ML)
C806
0.047
(ML)
C805
0.047
(ML)
D803
1
N4004S
D806
1N4004S
D805
1N4004S
D804
1
N4004S
C812
100/50
D807
1N4004S
D808
1N4004S
D809
1N4004S
C813
100/50
R969
120(1/2W)
C979
10/35
R967
68K
R968
1K
C978
47/50
Q905
KTC3199 GR
R
931
1K
2
9
R933
10K
C933
100/35
Q903
KRC107 M
F902
4A/125V
F901
4A/125V
F903
4A/125V
CNS804
T.F.
133 C
D908
DS1SS133
D907
1N4004S
20
1
2
3
4
5
6
7
1
2
3
4
5
6
7
1
2
3
1
2
3
CNS805
CNP805
CNP802
CNS802
11
22
CNS801
CNP801
2
1
CNP804
1
2
2
F802
5A / 125V
F803
5A / 125V
F804
3A / 250V
F805
2A / 250V
Out
Ch3
+
+
M
M901
FAN MOTOR
C826
0.0047
RL801
1
2
3
4
5
6
7
4
1
1
3
1
2
1
1
1
0
9
8
L:OFF
H:ON
IC951
LA4451
POWER AMP.
1
2
3
1
2
3
1
2 3
1
2
3
RL901
D909
DS1SS133
CNS99
BI99
IC99
C99
100/10
C98
0.022
L99
2.2mmH
1
2
3
1
2
3
1
2
3
+
+
+
L-CH
R-CH
L-CH
R-CH
FRONT SPEAKER
6 OHMS MIN.
REAR SPEAKER
8 OHMS MIN.
SUB WOOFER SPEAKER
6 OHMS
CENTER SPEAKER
4 OHMS
SO901
SPEAKER TERMINAL
+
+
+
D825
DS1SS133
AC POWER
SUPPLY CORD
AC 120V 60Hz
DIGITAL OUTPUT PWB-C2
FROM CD SERVO PWB
P21 12-D
CNP99

Related product manuals