EasyManua.ls Logo

Sharp CMS-55H(GY) - Page 21

Sharp CMS-55H(GY)
32 pages
Print Icon
To Next Page IconTo Next Page
To Next Page IconTo Next Page
To Previous Page IconTo Previous Page
To Previous Page IconTo Previous Page
Loading...
CMS-55H
CD
Signal
+B
cx
FM
Signal
=
=
ea
MW/LW
Signal
CMS-555E
EMS-555
exst>
Playback
Signal
.
masse
Record
Signal
#68)
Player
Signal
Q2:
C3600
ae
“OT
UISS135R3,
220K
~~
i
FM
IF
AMP
Qi
i
we
eae
ne
0
a.
.
Oi
olr
1
43
50)
50
0
ANTENNA
75
OHMS.
=AGC
E=NC
[ "
rp
:
a
H:S0061
==
.
.
;
:
}
;
ay.
as
:
FE!
gisope2
.
=
yy
fs
FM
FAONT
END
!
i 3
SS
;
mt
it
G
cg
:
:
2
,
oy
(tee
[ere
b
egal
PLL
FM
MPX
Pit
Fi}
EY
bo
FT|
|
PHE
cite
FYE
YF®
4
1
4.
C76
eT
Tf
i
SWITCHING
qi4
pycii4ys
TUNING
VOLTAGE
oat
J
on
aa
=a
on
A
13
3
Vjooxy
grates
220F
iwosc_
[TCS
Ct7405R
b.
022
WES
be
R7
MW/LW
CONTROL
TRA
KA
7—TFOR
£
2,
24H
|
Fl
Ysr
TSP
i
wae
CITING
Bet
PM
Dc
VOLTAGE
dco
a
eee
|
vD1-B
Fa:
-
M1,
:
=,
1
;
;
Ro
5 8
3
top:
obo
iN
3
\
Fi
2g
eeae
Hs
ry:
a
ee
:
“aia
are
°
Bf
;
74
B
i
oe
Se
He)
Tce
a
ee
=D,
|
amen!
|
ne
INA
START
4
|e
45
Fp
in
7
as
Sj___]
1
:
:
ee
.
x
ns
R
OOOO)
cnsso1
.
see
perme
:
frome
Pemermecicrste
é
;
)
ee
:
:
2-D
r
—as
i
gE
oi
|
lL.
4
i]
ss
cee
2
ae
ee
seen
re
d
te
=
q
=
eare
eee
LEFT
és
YI
ee
ee
D
ny
ci
[nF
BK
eran
4.
{++
5
c
i
:
.
Lics
;—
FOR
Hr
CNPS501
"
155133
2.
2K
P25
$0101
OS
il
cDy
VY1IDEQ
RIGHT
Mio4
TAPE
MOTOR
0,
022
H
ONLY
P30
TA
Ria?
A531
Tel
opi
pe
Pe
'
R
ia
ow
OVE,
>
sh
;
x
(E
2.
TROV
9459
Wee
ai
=
+12V—-A
|
swios
T1
MOTOR
OSA
:
C2676B
G
avi)
WT105
Es
a
ae
cy
MUTING
Ni
9
og
ae
:
H
|
“5
a
wR
oe
1028785
.
BY
,
1
j
1
1
3
elle)
4
|i
SO
aoe
a
é
ee
a
el
i
tants
cies.
A169
1.3V
a477i0
64a
CNP1
ba
PREG/PB
AMP
PRE
ORE
Oey
&.
GV
rae
i”
Buy
i”
10103
TA76683
(1.
BY)
cil
—4
a
5
a
eS
GND-TUNER
1
ee
7
PO
srmo=w
[1S
CD
ON/OFF
Gi)
io
im
@
©
W
©
Gp.
av
C166
py7p
F
ie
ah
P
Ghsutcigs
ge
58
(ae
EE
;
ha
RI66
Soar
etatur
|
eons
Terese,
C188
a
5b
U
ci
0.
A
0410
O
P29
2-6
Gi)
@)
&)
2
S
——
i
wo
a
=
a
~
Qgiia
Q1ag,
q
SWITCHIN
(E)
©
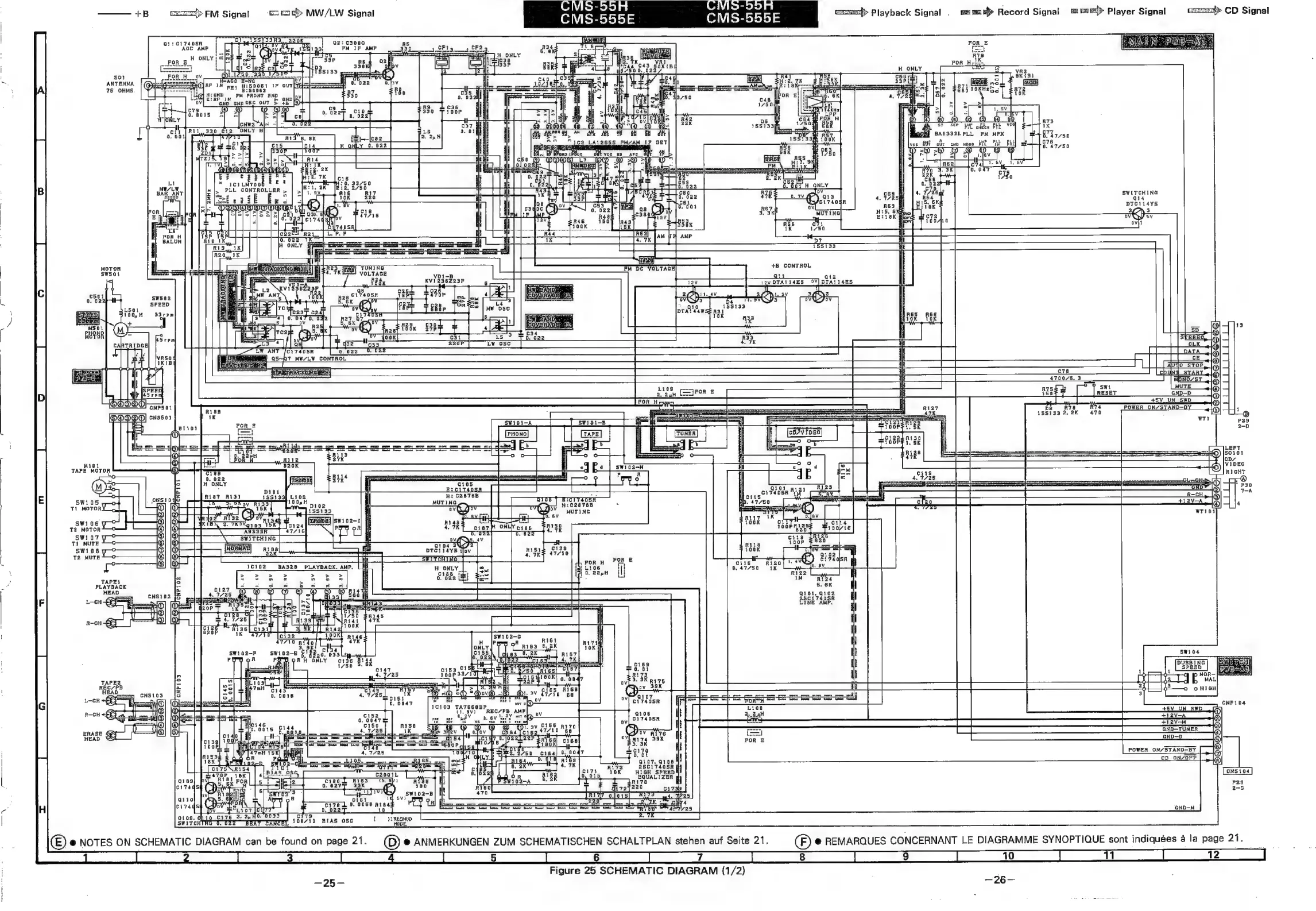
NOTES
ON
SCHEMATIC
DIAGRAM
can
be
found
on
page
21.
(6)
@
ANMERKUNGEN
ZUM
SCHEMATISCHEN
SCHALTPLAN
stehen
auf
Seite
21.
(F)
@
REMARQUES
CONCERNANT
LE
DIAGRAMME
SYNOPTIQUE
sont
indiquées
a
la
page
21.
ee
as
ey
ES
A
TS
AT:
(ree
ee
es
«ee
De
|
ee
es
|
ee
es
|
|
Figure
25
SCHEMATIC
DIAGRAM
(1/2)
|
ee
25
al
7
{ci
0
C1I76
2
2,
33
:
z

Related product manuals