EasyManua.ls Logo

Sharp FDD-412A - Page 108

Sharp FDD-412A
119 pages
Print Icon
To Next Page IconTo Next Page
To Next Page IconTo Next Page
To Previous Page IconTo Previous Page
To Previous Page IconTo Previous Page
Loading...
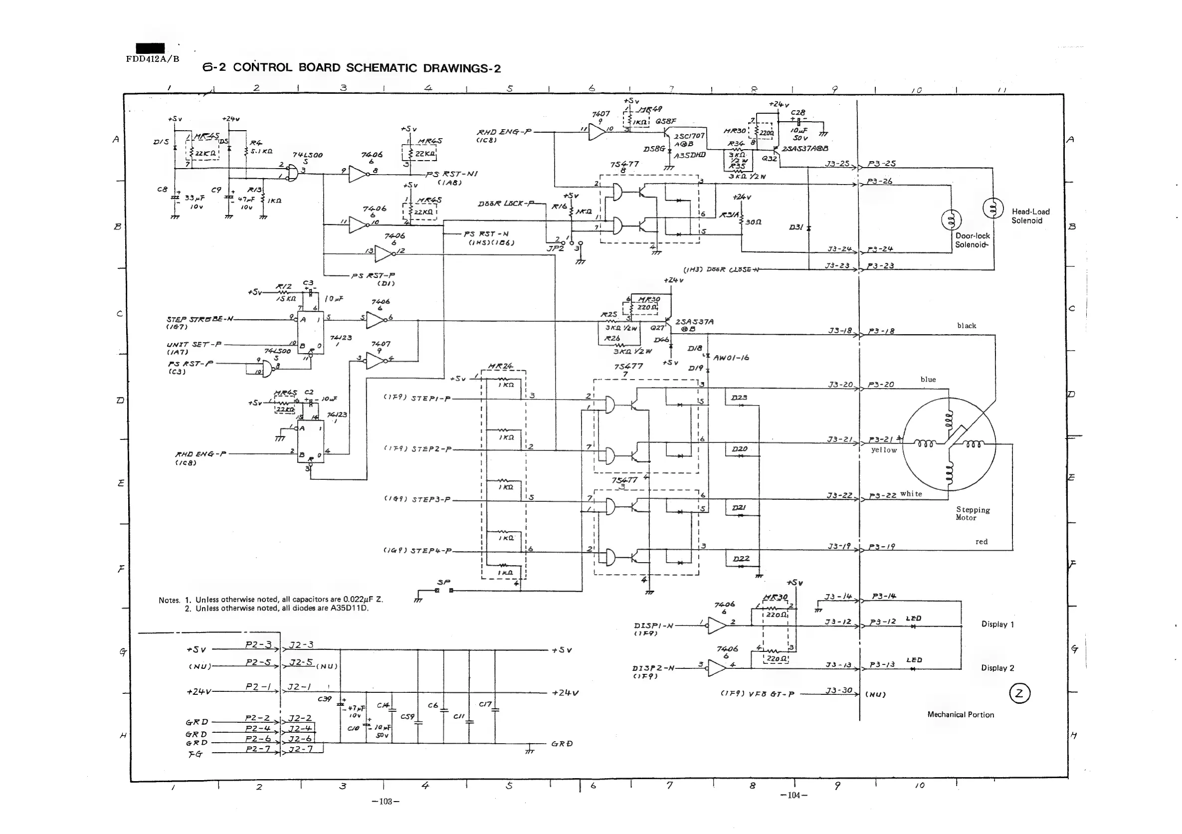
FDD412A/B
6-2
CONTROL
BOARD
SCHEMATIC
DRAWINGS-2
/
2
{
3
i
a
|
S
RAD
ENG
-FP
DIS
¢
MEAS
1
t
ARES
c/c8)
1322Ke2!
S1KQ
7
4L800
7406
|
2
22ka2,
71
eee
2
4
ares
I>
ea)
oo
ps
Rar
ME
25
-
ae
Sv
€/A8&)
+
+
mH
33uF
TF
4
IwE
3
KO
I)
MES
Db3sR
LECK-P
t
yO
10v
7406
|
339x011
4
.
tr-7
7s!
7
PL4)
7406
PS
RST-N
r)
QHS)€7B6)
STEP
STRG
BE-N.
(467)
UNIT
SET
-F
CIAT)
PS
RS7T-P
(¢3)
Q
7
ee
7
+*Sv
CVF?)
STEPI-P
(179)
STEP2-P
RAD
ENG
-P
(708)
(149)
STEP3-P
G7)
STEP4&-P
r---
sP
Notes.
1.
Unless
otherwise
noted,
all
capacitors
are
0.022uF
Z.
a
2.
Unless
otherwise
noted,
all
diodes.
are
A35D11D.
—_—_—————
=
+Sv
___P2-3,
(ny
)——__
22S
5),
F2°S
nu)
—103—-
+24y
+Sv
7607
4
cei ane
9
4
>
3]
IK:
OS8F
'
'
A3SDHD
28C/707
Yow
|
S32
7SE77
Rae
Bop
eee
1
3*2
/2"
'
H
\
ip)
IT_|
Le
,
(1H3)
D&ER
CLOSE
tZ4v
l
|
|
\
|
|
|
!
\
\
|
L
rN
DISP/-N
C€1F9)
DISP2-N
C1FP)
CFI)
VES
GT-P
—104-
J3-25
J3-23
J3-/3
J3-30
P3-26
:
Stepping
Motor
red
Mechanical
Portion
10
Door-lock
Solenoid
Head-Load
Solenoid
Display
1
Display
2
@)