EasyManua.ls Logo

Sharp FDD-412A - Page 110

Sharp FDD-412A
119 pages
Print Icon
To Next Page IconTo Next Page
To Next Page IconTo Next Page
To Previous Page IconTo Previous Page
To Previous Page IconTo Previous Page
Loading...
a
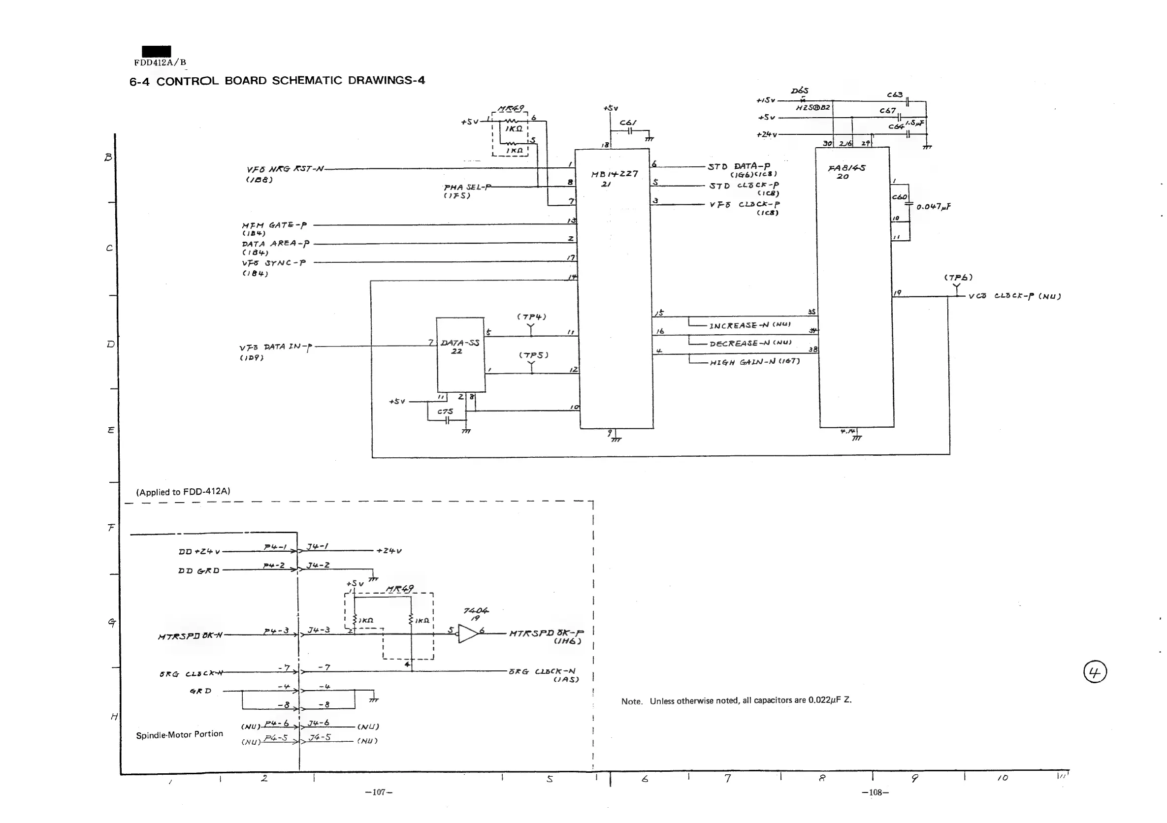
FDD412A/B
6-4
CONTROL
BOARD
SCHEMATIC
DRAWINGS-4
(Applied
to
FDD-412A)
DD
+Z24Vv
DD
GRD
MTRSPD
OK-N
ORG
cLrscxr
@RD
Spindle-Motor
Portion
VFS
NAG
XST-N
(/88)
MEM
GATE-P
CIB)
DATA
AREA-P
C184)
VES
SYNC-P
C184)
VFS
PATA
IN-p
(1D97}
t
(ny)
LEA
$8
yl
4S
uyLe
i
PS
2.
+Sv
+Sv
C&S
18
7
t
al
ase?
PHA
SEL-P
2/
(IFS)
ce
7
3
47
DES
+iSv
ut
céS
H4#ZS@B2
cé7
+Sv
2h
|
cag
Sot
+Zy
30|
244 241
STD
DATA-P
A
8/.
(1@6)61e8)
ap
ad
S7D
clocK-p
1
C1e8)
bas
VES
ClEck-P
(1c8)
0.047
uF
40
(TPS)
19
VCD
CLBCkK-P
(NU)
3$
INCREASE
N
(Nu)
DECREASE-N
(nu)
HLGH
GAIN-N
(67)
38
(NU)
(NU)
—107—-
|
|
MTRSPD
5kK-P
|
UHE)
|
|
SRG
CLECK-N
aas)
|
t
Note.
Uniess
otherwise
noted,
all
capacitors
are
0.022uF
Z.
—108—
10
Iv