EasyManua.ls Logo

Sharp LC-32SB25E - Page 63

Sharp LC-32SB25E
172 pages
Print Icon
To Next Page IconTo Next Page
To Next Page IconTo Next Page
To Previous Page IconTo Previous Page
To Previous Page IconTo Previous Page
Loading...
2008-03-14
LC-26SB25E/S/RU, LC-32SB25E/S/RU, LC-42SB55E/S/RU
63
B3 UDM
I SSTL
F3
LDM
I SSTL
Data Mask Upper/Lower Byte
Power Supplies ×16 Organization
J2 V
REF
AI I/O Reference Voltage
E9, G1, G3, G7, G9 V
DDQ
PWR
I/O Driver Power Supply
J1 V
DDL
PWR
Power Supply
E1, J9, M9, R1 V
DD
PWR —
Power Supply
E7, F2, F8, H2, H8 V
SSQ
PWR —
I/O Driver Power Supply
J7 V
SSDL
PWR —
Power Supply
A3, 3,J3,N1,P9 V
SS
PWR —
Power Supply
Not Connected ×16 Organization
A2, E2, L1, R3, R7, R8 NC
NC
— Not Connected
Other Pins ×16 Organization
K9 ODT
I
SSTL On-Die Termination Control
2.5. U601 (LM4809MA NOPB SO-8)
2.5.1 Pin Connections and short description
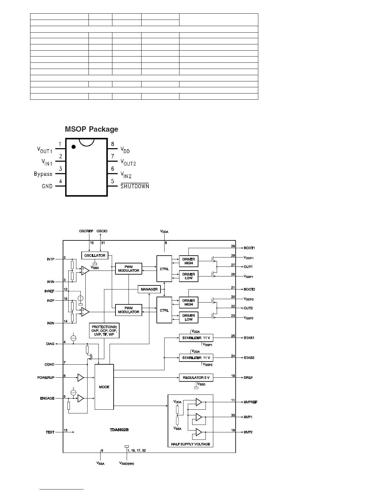
2.6. U600 (TDA8932BTW HTSSOP32)
2.6.1 Block Diagram

Other manuals for Sharp LC-32SB25E

Related product manuals