EasyManua.ls Logo

Sharp LC-40LU700E - Page 76

Sharp LC-40LU700E
164 pages
Print Icon
To Next Page IconTo Next Page
To Next Page IconTo Next Page
To Previous Page IconTo Previous Page
To Previous Page IconTo Previous Page
Loading...
LC-32/40/46LE700E/RU/S,LU700E/S,LX700E/RU,LC-52LE700E/RU/S
7 – 10
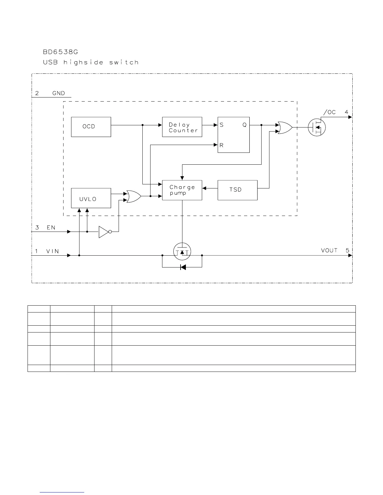
2.5. IC3301 (VHiBD6538G+-1Y)
2.5.1 Block Diagram
2.5.2 Pin Connections and short description
Pin No. Pin Name I/O Pin Function
1 VIN I Power supply input terminal.
It is an input terminal to the switch and a power supply input terminal of an internal circuit.
2 GND Ground
3 EN I Switch enable input terminal.
The switch is turned on by inputting the high level.
4 /OC O Over current notification terminal.
When the over current is detected, it becomes a low level.
Open drain output.
5 VOUT O Switch output terminal.

Other manuals for Sharp LC-40LU700E

Related product manuals