EasyManua.ls Logo

Sharp LC-40LU700E - Page 79

Sharp LC-40LU700E
164 pages
Print Icon
To Next Page IconTo Next Page
To Next Page IconTo Next Page
To Previous Page IconTo Previous Page
To Previous Page IconTo Previous Page
Loading...
LC-32/40/46LE700E/RU/S,LU700E/S,LX700E/RU,LC-52LE700E/RU/S
7 – 13
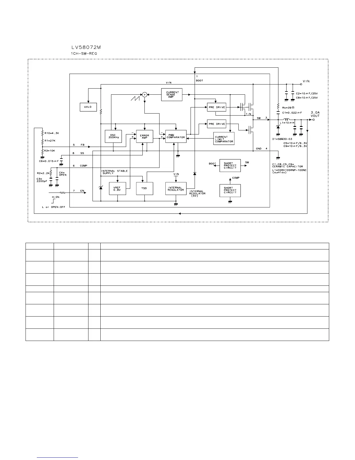
2.8. IC9604, IC9606 (VHiLV58072M-1Y)
2.8.1 Block Diagram
2.8.2 Pin Connections and short description
Pin No. Pin Name I/O Pin Function
1BOOT I
Bootstrap Terminal
Connect the boost capacity of about 0.022µF between SW terminals.
2VIN I
Input Voltage Terminal
Connect very big capacity between GND.
3SW O
Power Switch Terminal
Connect output LC filter. Moreover connect the above-mentioned capacity between BOOT terminals .
4 GND - Ground
5FB I
Feed Back Terminal
The output voltage is set by the division resistance between the output voltages.
6COMP I
Phase Compensation Terminal
The phase amends external capacity and the resistance of the DC/DC converter close loop are connected.
7EN I
Enable Terminal
The converter works by the High voltage impression.
8SS -
Softstart Terminal
The soft start time is set by built-in 10µA source voltage and external soft start capacity.

Other manuals for Sharp LC-40LU700E

Related product manuals