EasyManua.ls Logo

Sharp LC-40LU700E - Page 84

Sharp LC-40LU700E
164 pages
Print Icon
To Next Page IconTo Next Page
To Next Page IconTo Next Page
To Previous Page IconTo Previous Page
To Previous Page IconTo Previous Page
Loading...
LC-32/40/46LE700E/RU/S,LU700E/S,LX700E/RU,LC-52LE700E/RU/S
7 – 18
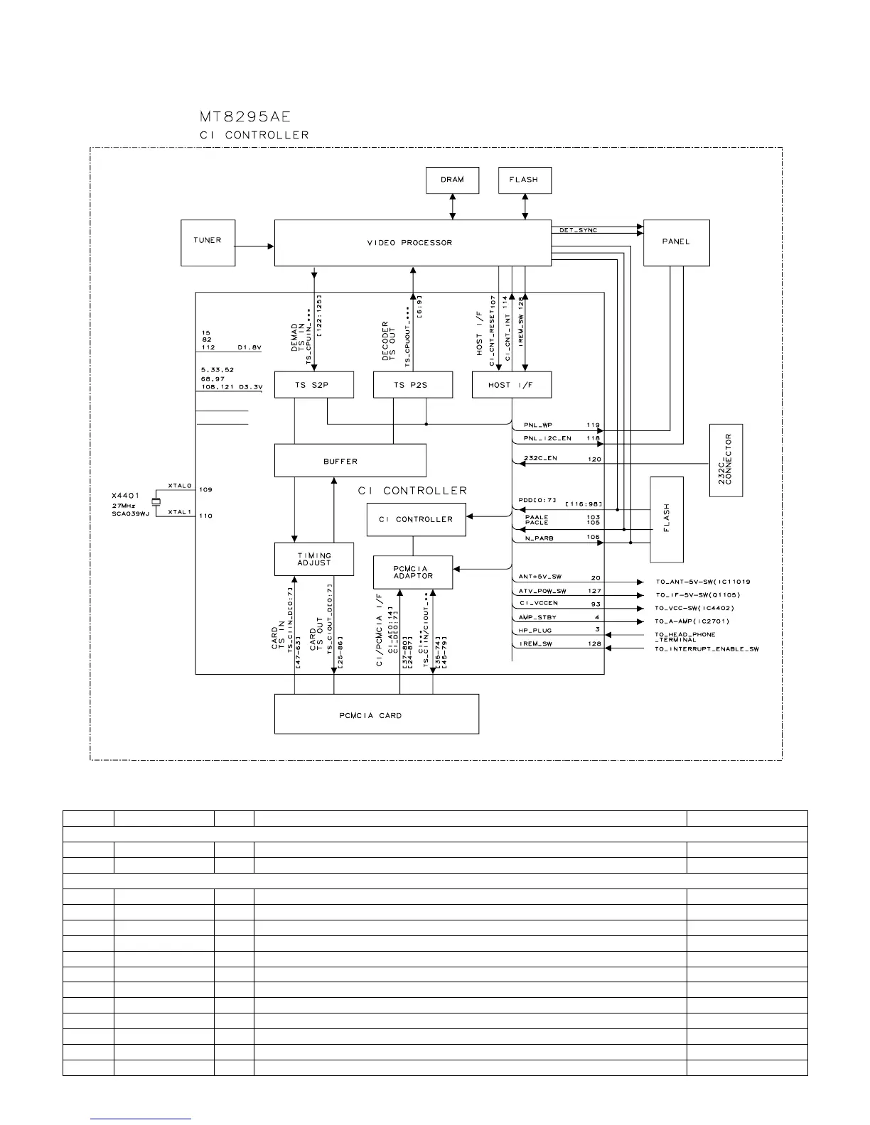
2.13. IC4405 (VHiMT8295AE-1Q)
2.13.1 Block Diagram
2.13.2 Pin Connections and short description
Pin No. Pin Name I/O Pin Function Sheet Name
Miscellaneous
107 RESETB I Chip reset. CI_CNT_RESET
114 CI_INT O interrupt. CI_CNT_INT
NAND flash
116 CI_DATA0 I/O NAND Flash Data bit 0. PDD0_
115 CI_DATA1 I/O NAND Flash Data bit 1. PDD1_
95 CI_DATA2 I/O NAND Flash Data bit 2. PDD2_
102 CI_DATA3 I/O NAND Flash Data bit 3. PDD3_
101 CI_DATA4 I/O NAND Flash Data bit 4. PDD4_
100 CI_DATA5 I/O NAND Flash Data bit 5. PDD5_
99 CI_DATA6 I/O NAND Flash Data bit 6. PDD6_
98 CI_DATA7 I/O NAND Flash Data bit 7. PDD7_
94 CI_CEB I NAND Flash Chip enable. CI_CE#
106 CI_RB O NAND Flash Ready. N_PARB_
96 CI_WEB I NAND Flash Write enable. XEWE_
103 CI_ALE I NAND Flash Address Latch enable. PAALE_

Other manuals for Sharp LC-40LU700E

Related product manuals