EasyManua.ls Logo

Sharp LC-70LE755U - Page 171

Sharp LC-70LE755U
206 pages
To Next Page IconTo Next Page
To Next Page IconTo Next Page
To Previous Page IconTo Previous Page
To Previous Page IconTo Previous Page
Loading...
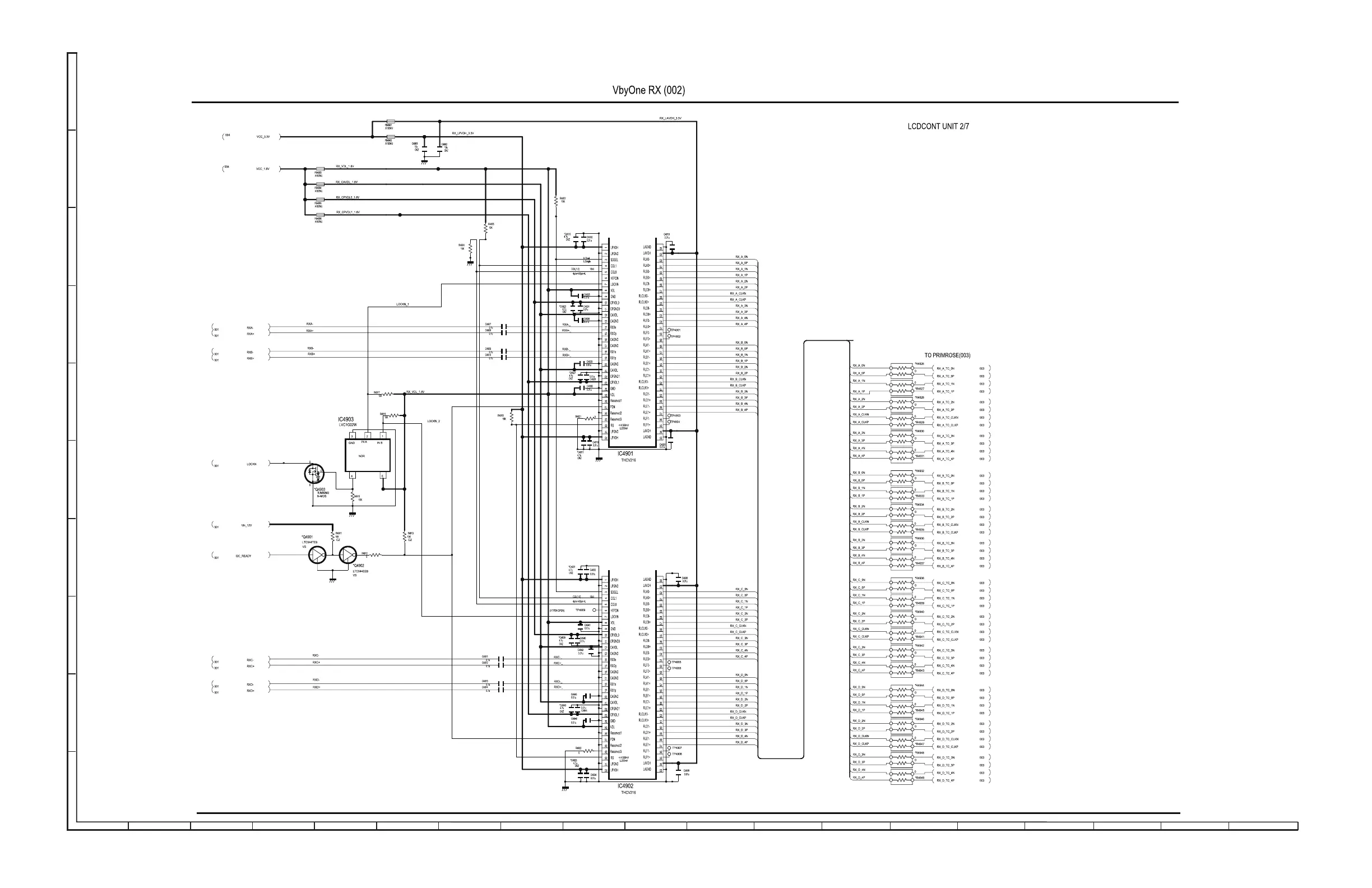
LC-60/70LE650U/C6500U/LE657U,LC-60/70LE755U/LE757U/LE857U/C7500U
2 – 21
1
23
1097654
8
J
A
B
C
D
E
F
G
H
I
1311 191816151412 17
LCD-CONROL Unit-2 (DUNTKF961FM19/20)

Table of Contents

Other manuals for Sharp LC-70LE755U

Related product manuals