EasyManua.ls Logo

Sharp MZ-5600 - 12-3 Serial Interface Signal Lines; 13. Software Timer; 13-1 Block Diagram; 13-2 Operational Description

Sharp MZ-5600
114 pages
Print Icon
To Next Page IconTo Next Page
To Next Page IconTo Next Page
To Previous Page IconTo Previous Page
To Previous Page IconTo Previous Page
Loading...
,
~OOOOH
DREo.
3
EOP
\.
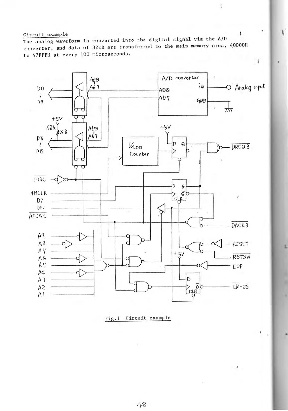
Circuit
example
The
analog
waveform
is
converted
into
the
digital
signal
via
the
A/D
converter,
and
data
of
32KB
are
transferred
to
the
main
memory
area,
to
47FFFH
at
every
100
microseconds.
A/D
convert.er
8
ftß8
IAl
1--_--'
tth1
DO
v-~--------------~ADB
~
.-------------~AD7
D7
-t-5V
6&1<
AOO
1
1'\&
'1
Do
I
~DO
DIS
rORl
4McLK
D7
Di~
Arowc
Aq
A~
A7
AG
A5
A4
1~3
}---IR-2G
A2
(\1
8
Counter
Qt------I
r-------~----~D
--------~----~
'-
(}----
DAck,3
a:r:-c<}--
RESbl
+5V
~R5TSW
D
g
CLR
Fig.1
Circuit
example

Other manuals for Sharp MZ-5600

Related product manuals