EasyManua.ls Logo

Sharp MZ-80B - Page 62

Sharp MZ-80B
83 pages
Print Icon
To Next Page IconTo Next Page
To Next Page IconTo Next Page
To Previous Page IconTo Previous Page
To Previous Page IconTo Previous Page
Loading...
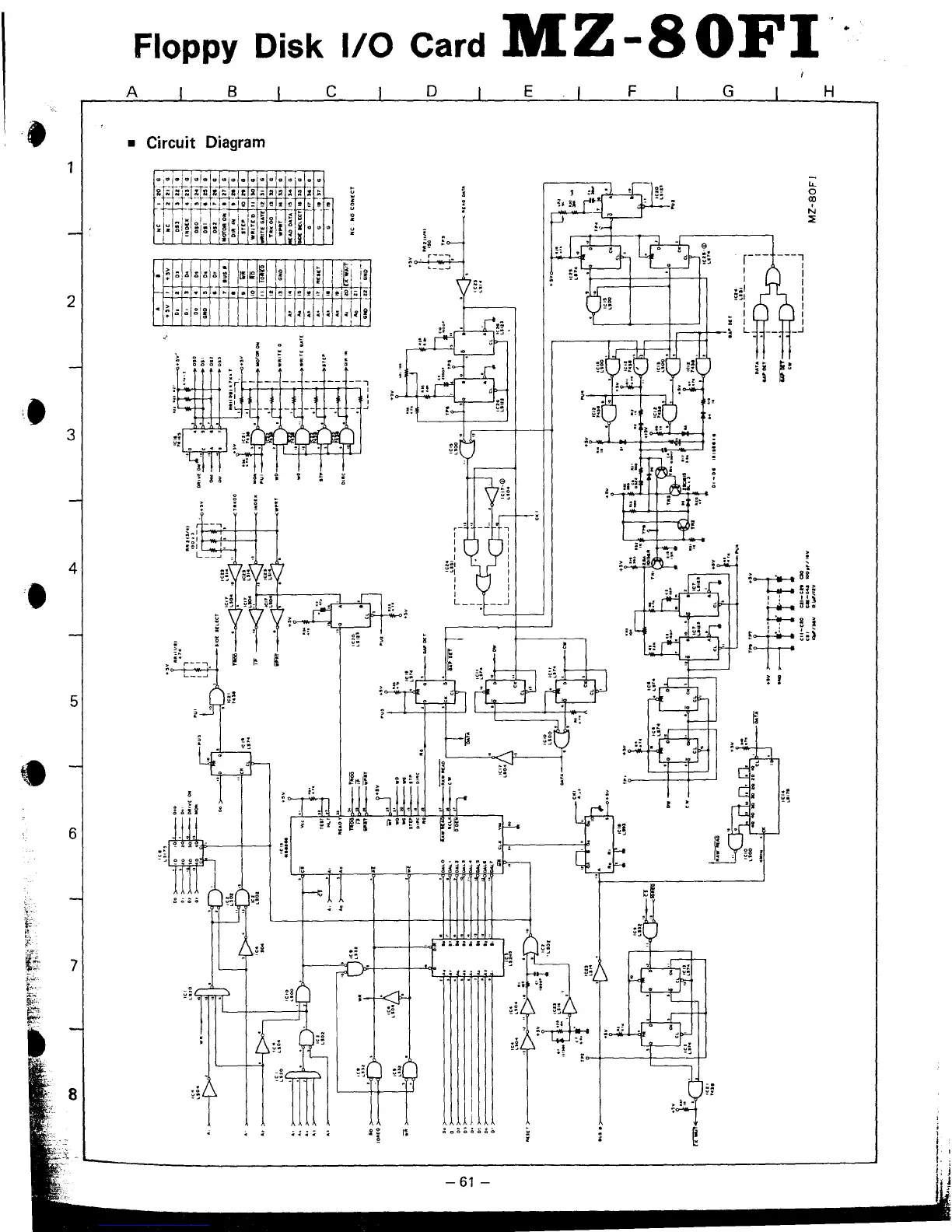
Floppy Disk
1/0
Card M Z -8 0 F
I'
·
A
8
c
o
E F G
H
Circuit
Diagram
2
,t
3
4
~~:
I:
!"
~:
;
'fr:':
~;,
.. ..." g
£
!
5
li
6

Other manuals for Sharp MZ-80B

Related product manuals