EasyManua.ls Logo

Sharp MZ-80B - Page 77

Sharp MZ-80B
83 pages
Print Icon
To Next Page IconTo Next Page
To Next Page IconTo Next Page
To Previous Page IconTo Previous Page
To Previous Page IconTo Previous Page
Loading...
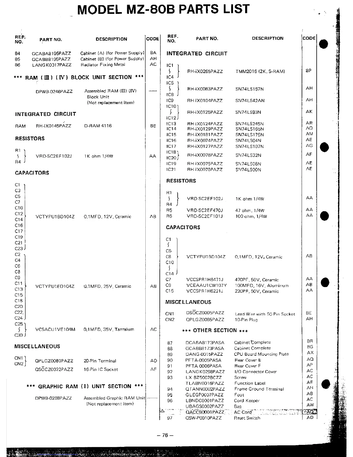
MODEL
MZ-80B
PARTS LIST
84
85
86
PART
NO.
GCABAB19SPAZZ
GCABB8195PAZZ
LANG
K0317PAZZ
DESCRIPTION
Cabinet
(A)
(for
Power
Supply)
Cabinet
(8)
{for
Power
Supply)
Radiato(
Fixing
Metal
CODE
BA
AH
AC
***
RAM
(ill)
(N)
BLOCK
UNIT
SECTION
***
DPWB·0246PAZZ
INTEGRATED
CIRCUIT
RAM
RH-iX0145PAZZ
RESISTORS
Rll
}
VRD·SC2EF102J
R4
CAPACITORS
Cl
C3
CS
C7
Cl0
C12
C14
C16
C17
C19
C21
J
C23
C2
C4
C6
C8
C9
Cll
C13
C15
C18
C20
e22.
C24
C25
}
c~o
VCTYPU18Dl04Z
VCTYPU1ED104Z
VCSACU1VE104M
MISCELLANEOUS
CNl
}
CN2
QPLGZOOBOPAZZ
QSOCZ0022PAZZ
Assembled
RAM
(m)
([V)
Block
Unit
(Not
replacement
item)
D·RAM
4116
1 K
ohm
1/4W
O.lMFO,
12V,Ce~amic
U.1MFO,
25V,
Ceramic
0.1
MFD,
35V,
Tantalum
2O·Pin
Terminal
16·Pin le
Socket
BE
AA
/\B
I
AB
AC
AD
AF
*** GRAPHIC RAM
(J)
UNIT
SECTION
***
DPWB·0288PAZZ
Assembled Graphic
RAM
Unit
--
(Not
replacement
item)
REF.
NO.
PART NO.
INTEGRATED
CIRCUIT
RH·;X0265PAZZ
RH·iXQD83PAZZ
leg
RH·iXOl04PI\ZZ
IC
J
lO}
le12
IC13
IC14
IC15
IC16
IC17
ICIS}
IC20
IC19
le21
RH-iX0125PAZZ
RH·jX0124PAZZ
RH·iXQ129PAZZ
RH-iX0181
PAZ?
RH.iX0074PAZZ
RH·iXQ127PAZ7
RH·jXOO78PAZZ
RH-iX0075PAZZ
RH-iX0070PAZZ
RESISTORS
RI'
}
VRO-SC2EF102J
R4
R5
VRD-SC2EF470J
R6
VRD·SC2EF101J
CAPACITORS
Cl
i
CB
C8
ClO
I
C14
C7
C9
C15
VCTYPU180104Z
VCCSPR1
H6471
J
VCEAAU1
CW107Y
VCCSPRl
H6221J
MISCELLANEOUS
CNl
CN2
DSOCZ0005P
AZZ
QPLGZ0085PAZZ
DESCRIPTION
TMM2016
12K.
S·RAM)
SN74LS157N
SN74LS42AN
SN74LS93N
SN74LS245N
SN74LS165N
SN74LS175N
SN74LS04N
SN74LS107N
SN74LS32N
SN74LS08N
SN74LSOON
lK
ohm
1!4W
47
ohm,
1!4W
100
ohm,
l!4W
0.1 M FO,
12V
..
Ceramic
470PF,
50V,
Ceramic
100MFD,
16V,
Alumiflum
22UPF,
50V,
Ceramic
Lead Wire
with
SO-Pin
Socket
10-Pin Plug
***
OTHER SECTION
***
,',
87
88
89
90
91
97
93
97
DCARA8173PASA
GCABB8173PASA
DANG-OOl
bPAZZ
PFT
A·0005PASA
PFTA0006PASA
LANGK0298PAZZ
LX
BZ5002BCZZ
TLABN0016PAZZ
Q r
ANN0002PAZZ
GLEGP0007PAZZ
LBNDCOOOl
PAZZ
UBAGS0002PAZZ
oA~C80001PAiz
OSW·PQ010PAZZ
Cabinet
tomplete
Cabinet
Complete
CPU Bourd
Mounting
Plate
Rear Cover E
Rear Cover F
I/O
Connector
Cover
ScrfNII
Function
Label
Frame
Ground
Terminal
Foot
Cord
Keeper
Ban
AC
Coref"
Reset
Switch
-76-
CODE
BP
AH
AH
AK
AR
AQ
AM
AE
/\G
AF
AE
/\E
AA
AA
AA
A8
AA
AB
AA
BE
AH
BR
BG
AX
AQ
AP
AC
AC
AE
/\H
AB
AC
AW

Other manuals for Sharp MZ-80B

Related product manuals