EasyManua.ls Logo

Sharp SV-4328 - Page 22

Sharp SV-4328
158 pages
Print Icon
To Next Page IconTo Next Page
To Next Page IconTo Next Page
To Previous Page IconTo Previous Page
To Previous Page IconTo Previous Page
Loading...
22
PRECISION MACHINE TOOLS Ver 2 Maintenance Manual
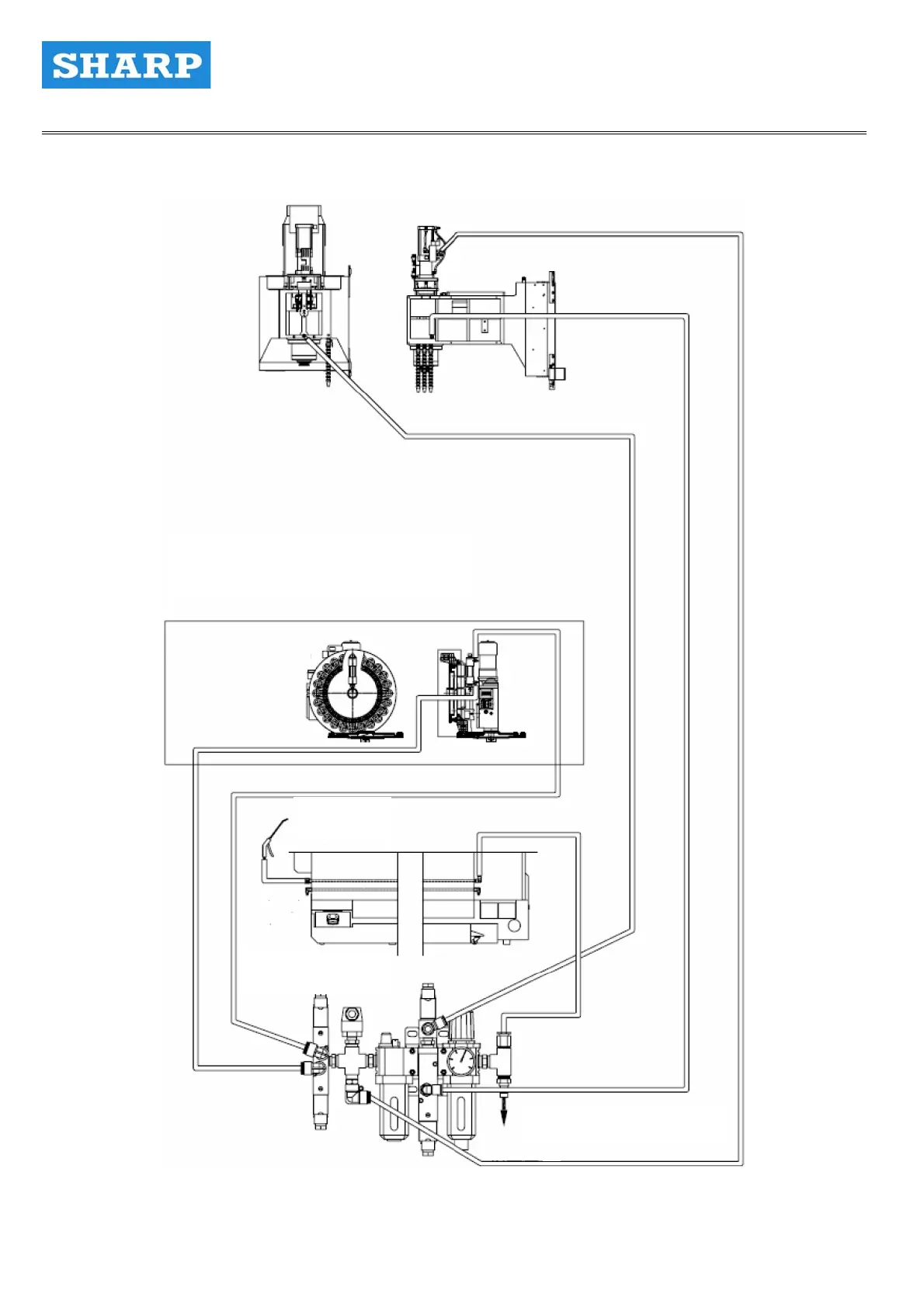
3-1 Air Compressor System Layout
Air gun
Air pressure source
Machine front
ATC
Rotary disk type tool magazine