EasyManua.ls Logo

Sharp VT-3418X - Page 101

Sharp VT-3418X
170 pages
Print Icon
To Next Page IconTo Next Page
To Next Page IconTo Next Page
To Previous Page IconTo Previous Page
To Previous Page IconTo Previous Page
Loading...
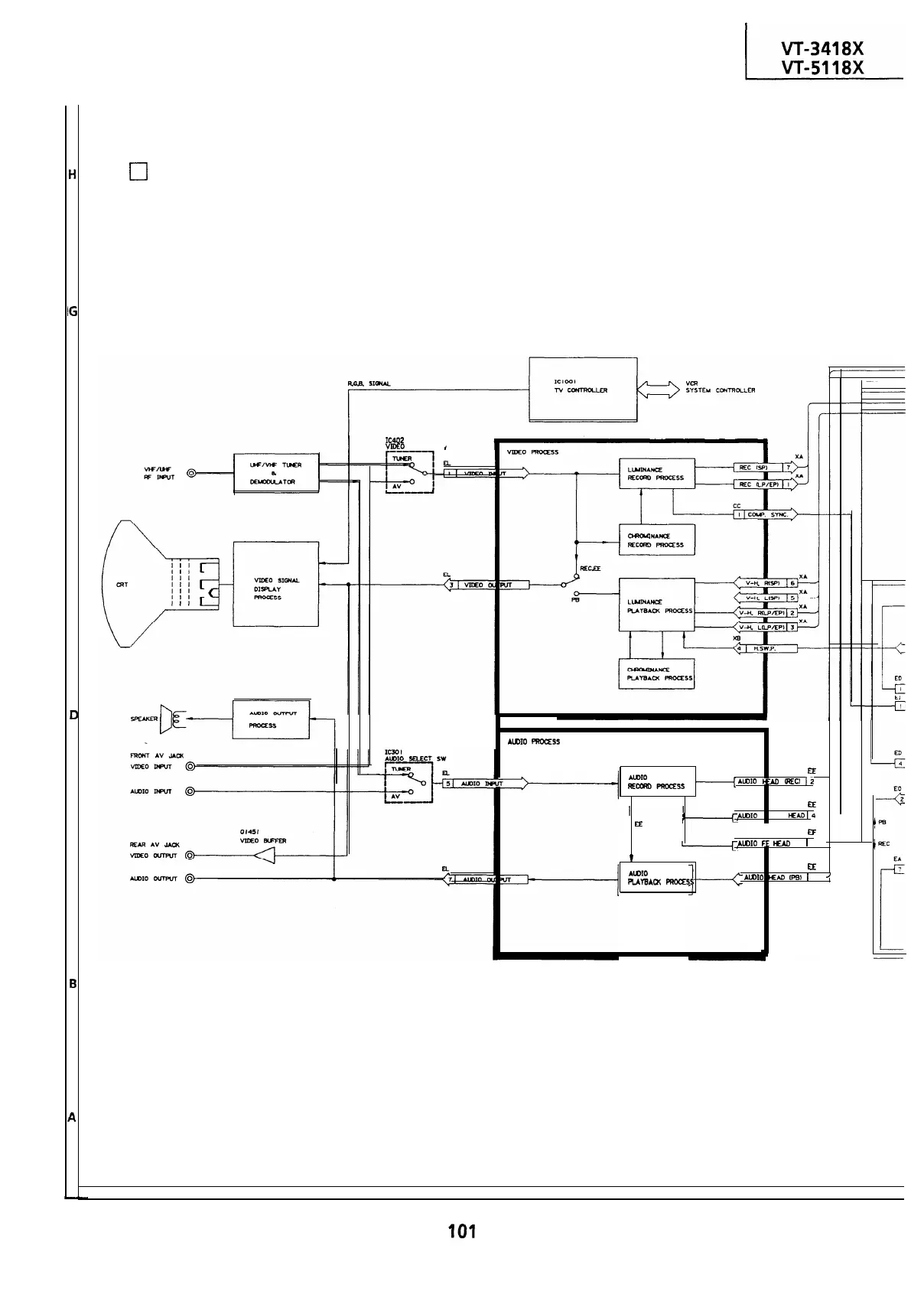
BLOCK DIAGRAM OF VCR SECTION
0
OVERALL BLOCK DIAGRAM
XC402
VICE0 SELECT SW
AWIO
.mocEss
EE
AWIO
REcceomcKzss
-
AWIO
MAO
REc1
12
I
EE
1
AWIO
PumAa
mosss
EE
AU)10 ERASE
HEAD
14
I
ELF
Au)10
FE
HUD
1
I
n
AWXO HE*D
(PBI
/
I
J
1
I
2
I
3
I
4
I
5
I
6
I
101

Related product manuals