EasyManua.ls Logo

Sharp VT-3418X - Page 103

Sharp VT-3418X
170 pages
Print Icon
To Next Page IconTo Next Page
To Next Page IconTo Next Page
To Previous Page IconTo Previous Page
To Previous Page IconTo Previous Page
Loading...
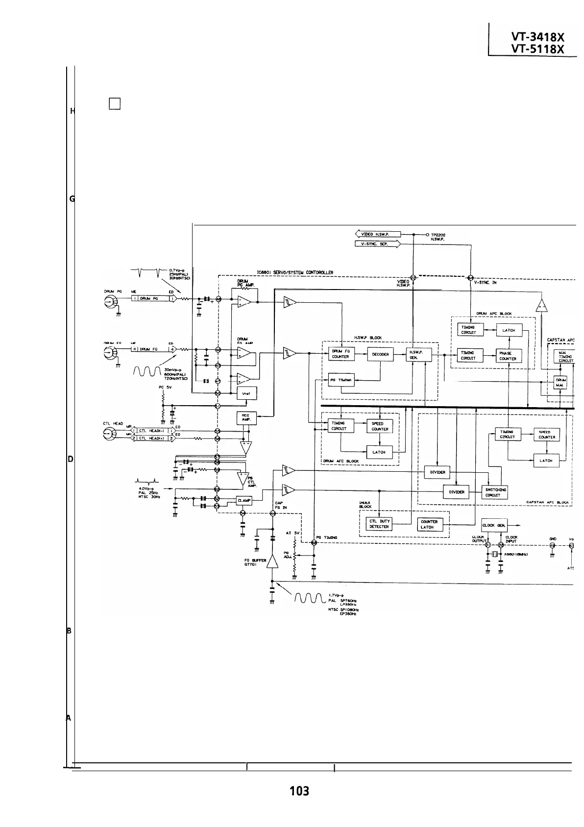
BLOCK DIAGRAM OF VCR SECTION
0
SERVO PROCESS BLOCK DIAGRAM
1caao1
sFRvolsYsTEu
ccNTM)(KLD(
+I+
i
r-----------------------------__________--------
---_---_----
I
OFMA
_____-___-__--_---________
VIE0
I
PG
ALP.
KSWP
v-517+1
,N
cbPST*N *PC
------_
I
1
I
2
I
3
I
4
I
5
I
6
103

Related product manuals