EasyManua.ls Logo

Sharp VT-3418X - Page 105

Sharp VT-3418X
170 pages
Print Icon
To Next Page IconTo Next Page
To Next Page IconTo Next Page
To Previous Page IconTo Previous Page
To Previous Page IconTo Previous Page
Loading...
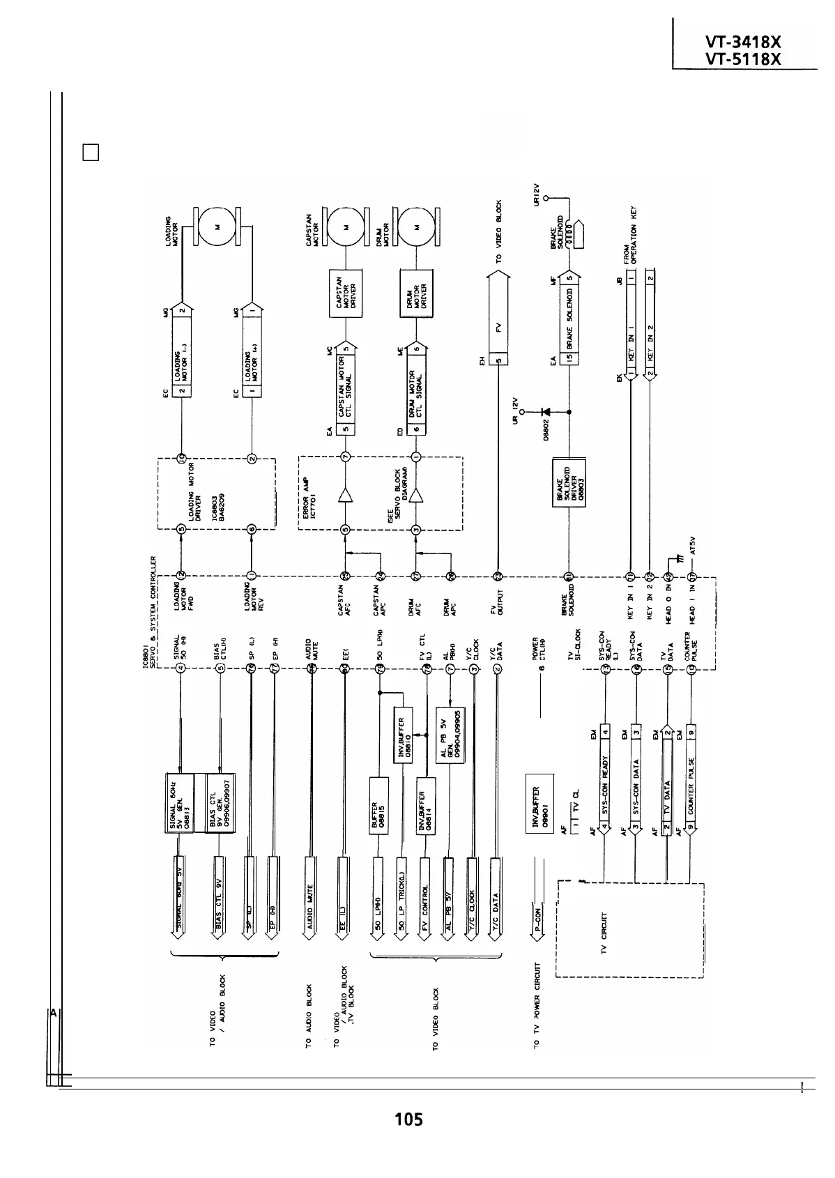
BLOCK DIAGRAM OF VCR
SECTION
0
SYSTEM CONTROL BLOCK DIAGRAM
H
G
F
E
D
C
8
3
E
--
(
----
e
--
a-
I(
E
a
d
rt
%:
I--
-
a
!
1
I
2
I
3
I
4
I
5
I
6
I
105

Related product manuals