EasyManua.ls Logo

Sharp VT-3418X - Page 115

Sharp VT-3418X
170 pages
Print Icon
To Next Page IconTo Next Page
To Next Page IconTo Next Page
To Previous Page IconTo Previous Page
To Previous Page IconTo Previous Page
Loading...
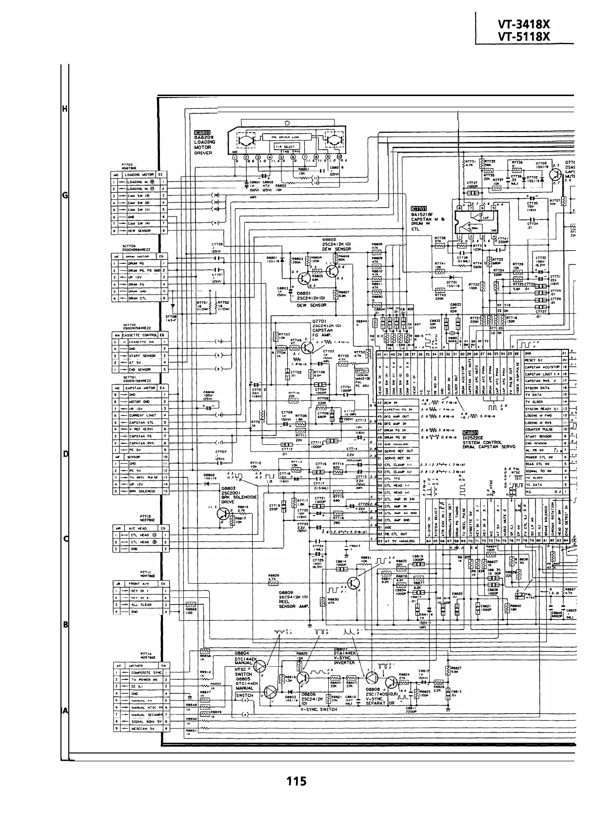
SCHEMATIC DIAGRAM:
n
VCR Main Unit
r-7
I
1
I
2
I
3
I
4
I
5
I
6
115

Related product manuals