EasyManua.ls Logo

Sharp VT-3418X - Page 80

Sharp VT-3418X
170 pages
Print Icon
To Next Page IconTo Next Page
To Next Page IconTo Next Page
To Previous Page IconTo Previous Page
To Previous Page IconTo Previous Page
Loading...
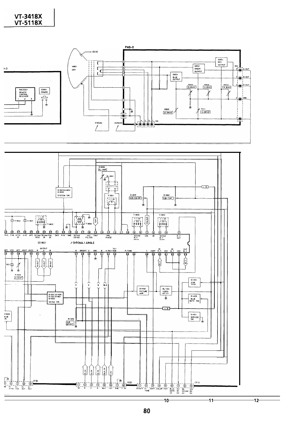
PWE-8
I 1
VIDEO
/
CHROMA
/
JUNGLE
--hr-----
r
I
7
I
8
I
9
I
10
I
11
I
12
I
80

Related product manuals