EasyManua.ls Logo

Sharp VT-3418X - Page 96

Sharp VT-3418X
170 pages
Print Icon
To Next Page IconTo Next Page
To Next Page IconTo Next Page
To Previous Page IconTo Previous Page
To Previous Page IconTo Previous Page
Loading...
w-341
8X
VT-5118X
n
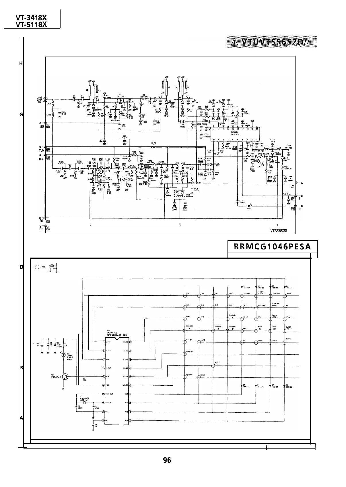
Tuner
NOTE: The parts here shown are supplied as an assembly but not independently.
Fi~~~~~~~~~~~~~~~~~~~~~~~~~~
.:+:.:
. . . . . . . . . .
.Y:‘.
. : : : . . . : : : . . . . . : : : . .
:‘:..
. : : . :
:.
~i.........................~.~.~.....~.~.~.~.~.~.~.............~.‘.‘.‘.‘.~.‘..........,..................~.~.
. .
:
:,
i
_
:
‘. .>..:.:.:.:.:.:.>:.
. . . . . . . . . . . . . . . . . . . . . . .
..~..........................
BL
p&j
I
I
I
I
OT
1
I
I
BH
i:%
VTSSSZD
k-u
AFT
l
Infrared Remote Control Unit
NOTE: The parts here shown are supplied as an assembly but not independently.
RRMCG1046PESA
1
I
2
I
3
I
4
I
5
I
6
I
96

Related product manuals