EasyManua.ls Logo

SHOWTEC MPX-616D - Page 7

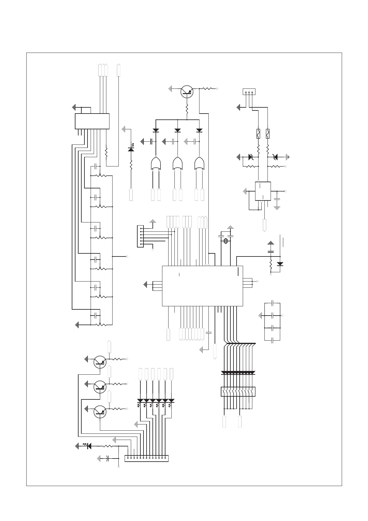
SHOWTEC MPX-616D
12 pages
Print Icon
To Next Page IconTo Next Page
To Next Page IconTo Next Page
To Previous Page IconTo Previous Page
To Previous Page IconTo Previous Page
Loading...
+5V
+5V
C2
474 50V
D2
1N4148
C4
103
C3
104
+5V
R2
30K
+5V
1
2
3
4
5
6
J3
AWG3228- 6S
M OSI
M ISO
R1
30K
R5
30K
+5V
Z2
5V6
Z1
5V6
DI
4
RO
1
GND
5
+5V
8
D/R
6
D/R
7
RE
2
DE
3
U1
SN75176
+5V
C1
474 50V
R3
47R/0.25W
R4
47R/0.25W
F1
SCF 005
F2
SCF 005
D+
D-
1
3
5
7
9
11
13
15
2
4
6
8
10
12
14
16
1718
1920
SW1
YD- 10A-Z
1
2
3
J2
A2001SJ-3
D+
D-
GND
X1
16MHz
DMX I N
RESET
SCK
RESET
R9
10K
Q2
BC857C
+5V
PHA3
1
2
3
4
5
6
7
8
9
10
11
12
13
J1
A2001SJ-13
+5V
GND
+12V
T3
T2
T1
GND
CH1
CH2
CH3
CH4
CH5
CH6
R10
10K
Q3
BC857C
+5V
PHA2
R11
10K
Q4
BC857C
+5V
PHA1
C
9
B
10
A
11
IN H
6
VEE
7
X
3
X0
13
X1
14
X2
15
X3
12
X4
1
X5
5
X6
2
X7
4
U4
NJU4051B
VR1
VR10K
VR2
VR10K
VR3
VR10K
VR4
VR10K
VR5
VR10K
VR6
VR10K
+5V
CH1 CH2 CH3 CH4 CH5 CH6
R13
330R
C10
474 50V
C11
474 50V
C12
474 50V
C13
474 50V
C14
474 50V
C15
474 50V
ADC7
ADC7
C8
104
D20
1N4148
D21
1N4148
D22
1N4148
R7
2K
R6
10K
Q1
BC857C
+5V
PHA1
PHA2
PHA3
D9 L ED/G
D8
LED/G
D7
LED/G
D6 L ED/G
D5 LED/G
D4 LED/G
CH_1
CH_2
CH_3
CH_4
CH_5
CH_6
+5V
D10
CH_1
CH_2
CH_3
CH_4
CH_5
CH_6
PD3
PD4
PD5
D3
L
ED/Y
R8
470R
DMX SI GNAL
D1
LED/R
R12
470R
PA0
PA1
PA2
PA3
PA4 PA0
PA1
PA2
PA3
PA4
PA0
PA1
PA2
PA3
PA4
K EY_1
KEY_2
KEY_1
KEY_2
DMX_I N
DMX_I N
PHA1_E
PHA2_E
PHA3_E
PHA1
PHA2
PHA3
PHA1_E
PHA2_E
PHA3_E
PD3
PD4
PD5
PB7
PB7
+
C9
100U/16V
C5
104
C6
15P
C7 15P
PB0(XCK /T0)
40
PB1(T1)
41
PB2(INT2/AI N0)
42
PB3(OC0/AI N1)
43
PB4(SS)
44
PB5(MOSI )
1
PB6(MI SO)
2
PB7(SCK )
3
PD5(OC1A)
14
PD4(OC1B)
13
PD3(INT1)
12
PD2(INT0)
11
XTAL 2
7
XTAL 1
8
RESET
4
PD6(ICP)
15
VCC
5
PA0(ADC0)
37
PA1(ADC1)
36
PA2(ADC2)
35
PA3(ADC3)
34
PA4(ADC4)
33
PA5(ADC5)
32
PA6(ADC6)
31
PA7(ADC7)
30
AREF
29
PC0(SCL)
19
PC1(SDA)
20
PC2(TCK )
21
PC3(TMS)
22
PC4(TDO)
23
PC5(TDI)
24
PC6(TOSC1)
25
PC7(TOSC2)
26
AVCC
27
GND
28
PD7(OC2)
16
PD1(TXD)
10
PD0(RXD)
9
GND
18
VCC
17
VCC
38
GND
6
GND
39
U2
ATMEGA16- 16AI
D11
D12
D13
D14
D15
D16
D17
D18
D19
3
2
1
U3A
74HC32AD
6
5
4U3B
74HC32AD
8
10
9
U3C
74HC32AD
C16
104
C17
474 50V
C18
474 50V
C19
474 50V
MPX-616-C PRO