EasyManua.ls Logo

siat F144 - Page 112

Default Icon
171 pages
Print Icon
To Next Page IconTo Next Page
To Next Page IconTo Next Page
To Previous Page IconTo Previous Page
To Previous Page IconTo Previous Page
Loading...
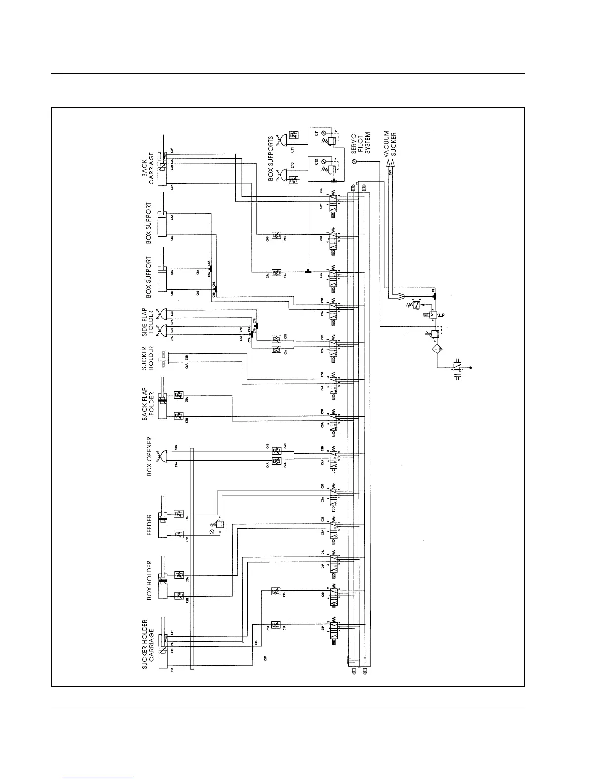
16.3 PNEUMATIC SCHEMATIC SCHEMA PNEUMATICO
16-DRAWINGS AND SCHEMATICS 16-DISEGNI E SCHEMI
F144/4-SX 112 A1100