EasyManua.ls Logo

Siemens AVS37.294 - Plant Diagram 22; Plant Diagram 23

Siemens AVS37.294
221 pages
To Next Page IconTo Next Page
To Next Page IconTo Next Page
To Previous Page IconTo Previous Page
To Previous Page IconTo Previous Page
Loading...
202/221
Siemens Switzerland Ltd
User manual RVS61.843 CE1U2355en_02
HVAC Products 7 Plant diagrams 23. November 2007
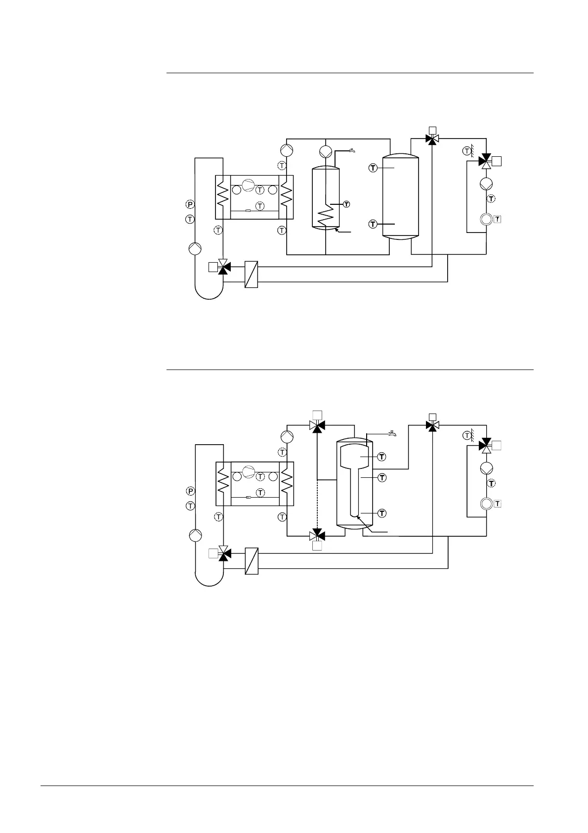
7.1.22 Plant diagram 22
Brine-to-water heat pump, DHW storage tank with DHW charging pump Q3, buffer
storage tank, mixing or pump heating circuit, and mixing cooling circuit for passive
cooling.
B4
B41
Y21
B9
Y1/Y2
Q2
B1
RG
B21
K1/E11
B71
B92
Q8/E14
B91
E15
E9
P
P
B81 E10
B83
Y28
Q9
Q3
B3
7.1.23 Plant diagram 23
Brine-to-water heat pump, combi storage tank with DHW diverting valve Q3, and mixing
or pump heating circuit.
B21
K1/E11
B71
B92
Q8/E14
B91
E15
E9
P
P
B81
E10
B83
Y28
Y21
B3
B41
B4
Q3
Q3
Q9
B9
Y1/Y2
Q2
B1
RG

Table of Contents

Related product manuals