EasyManua.ls Logo

Siemens simovert masterdrives - Page 1106

Siemens simovert masterdrives
1547 pages
To Next Page IconTo Next Page
To Next Page IconTo Next Page
To Previous Page IconTo Previous Page
To Previous Page IconTo Previous Page
Loading...
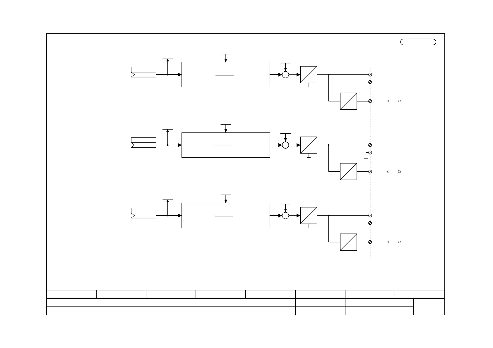
Function diagram
87654321
fp_mc_Z25_e.vsd
SCB1 with SCI1
MASTERDRIVES MC
23.10.02
SCI1 analog outputs slave 1
- Z25 -
V2.5
x
yV
x
P[]
%
.
100
6941
U
I
D
A
12 Bit
.12
-X428
.13
.14
Iout = 0 ... 20 mA
x
yV
x
P[]
%
.
100
694 3
U
I
D
A
12 Bit
.18
.19
20
Iout = 0 ... 20 mA
x
yV
x
P[]
%
.
100
694 2
U
I
D
A
12 Bit
.15
.16
.17
Iout = 0 ... 20 mA
(For further terminals,
see function diagram
"SCI1 - analog inputs slave1")
R
500
R 500
R 500
Not with Compact PLUS!
K
P693.1 (0)
SCI AnaOut ActV
SCB/SCI Values
r699.10
SCI AnaOutOffset
-100 ... 100 V
P695.1 (0)
SCI AnaOut Gain
-320 ... 320 V
P694.1 (10)
U953.26 = ___(4)
K
P693.3 (0)
Src SCI.AnaOut.
SCB/SCI Values
r699.12
SCI AnaOutOffset
-100 ... 100 V
P695.3 (0)
SCI AnaOut Gain
-320 ... 320 V
P694.3 (10)
K
P693.2 (0)
SCI AnaOut ActV
SCB/SCI Values
r699.11
SCI AnaOutOffset
-100 ... 100 V
P695.2 (0)
SCI AnaOut Gain
-320 ... 320 V
P694.2 (10)

Table of Contents

Other manuals for Siemens simovert masterdrives

Related product manuals