EasyManua.ls Logo

Silver Fox Avant - Page 181

Silver Fox Avant
256 pages
Go to English
To Next Page IconTo Next Page
To Next Page IconTo Next Page
To Previous Page IconTo Previous Page
To Previous Page IconTo Previous Page
Loading...
181
ENGLISH
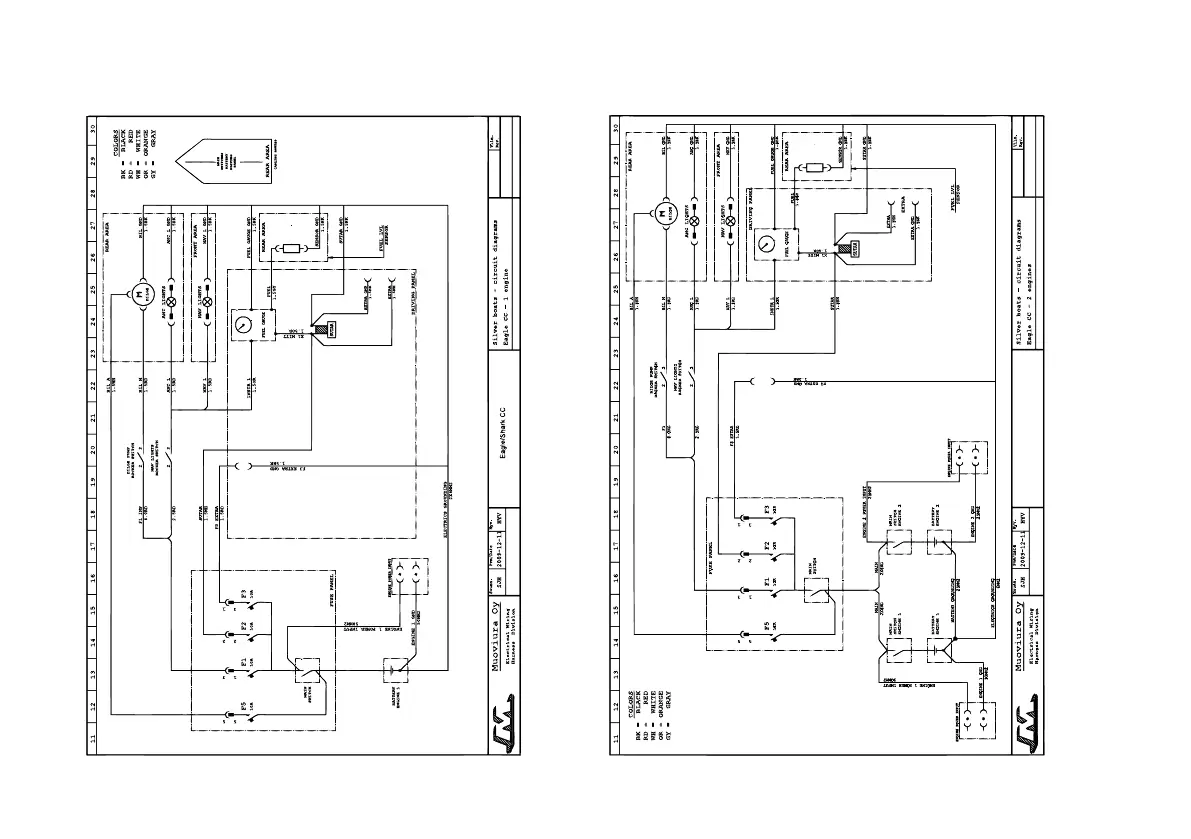
Fig. 5. Electrical diagram
Circuit diagram: Eagle CC and Shark CC

Table of Contents

Related product manuals