EasyManua.ls Logo

Silver Fox Avant - Page 245

Silver Fox Avant
256 pages
Go to English
To Next Page IconTo Next Page
To Next Page IconTo Next Page
To Previous Page IconTo Previous Page
To Previous Page IconTo Previous Page
Loading...
245
DEUTSCH
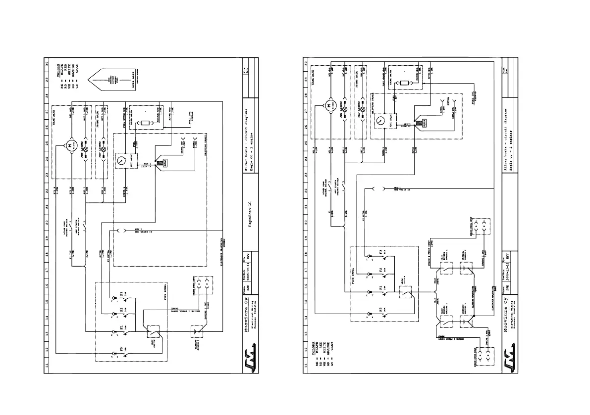
Abbildung 6. Der Elektro-Schaltplan des Bootes
Schaltbilder: Eagle CC und Shark CC

Table of Contents

Related product manuals