EasyManua.ls Logo

Silver Fox Avant - Page 248

Silver Fox Avant
256 pages
Go to English
To Next Page IconTo Next Page
To Next Page IconTo Next Page
To Previous Page IconTo Previous Page
To Previous Page IconTo Previous Page
Loading...
248
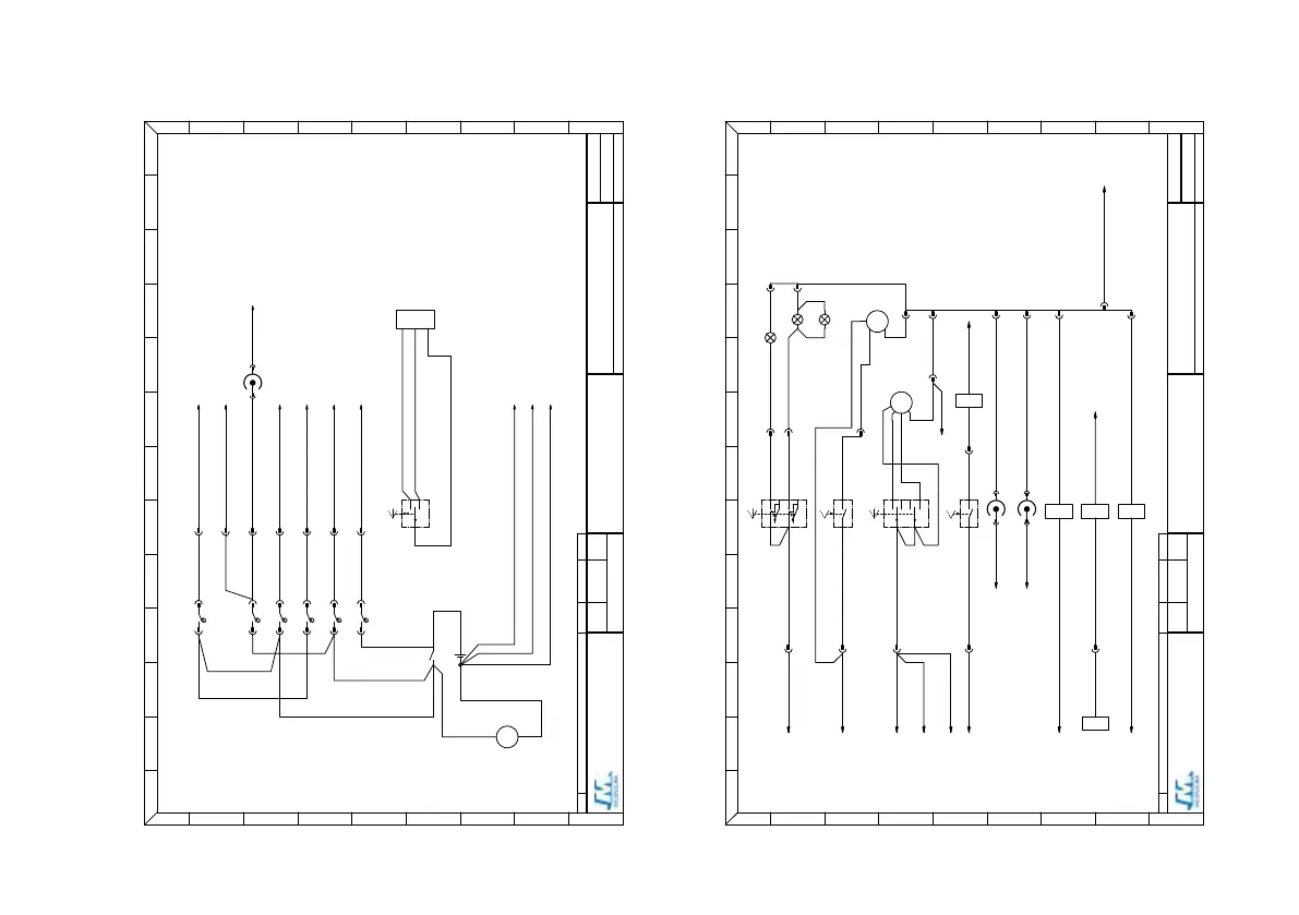
Abbildung 6. Der Elektro-Schaltplan des Bootes

 


 
 

 





 















































































































 




 




 

 
  



























 








 






 

























































































Schaltbilder: Eagle BRX

Table of Contents

Related product manuals