EasyManua.ls Logo

Silverado 1500 - Page 23

Silverado 1500
1110 pages
Print Icon
To Next Page IconTo Next Page
To Next Page IconTo Next Page
To Previous Page IconTo Previous Page
To Previous Page IconTo Previous Page
Loading...
Fixed and Moveable Windows 2-7
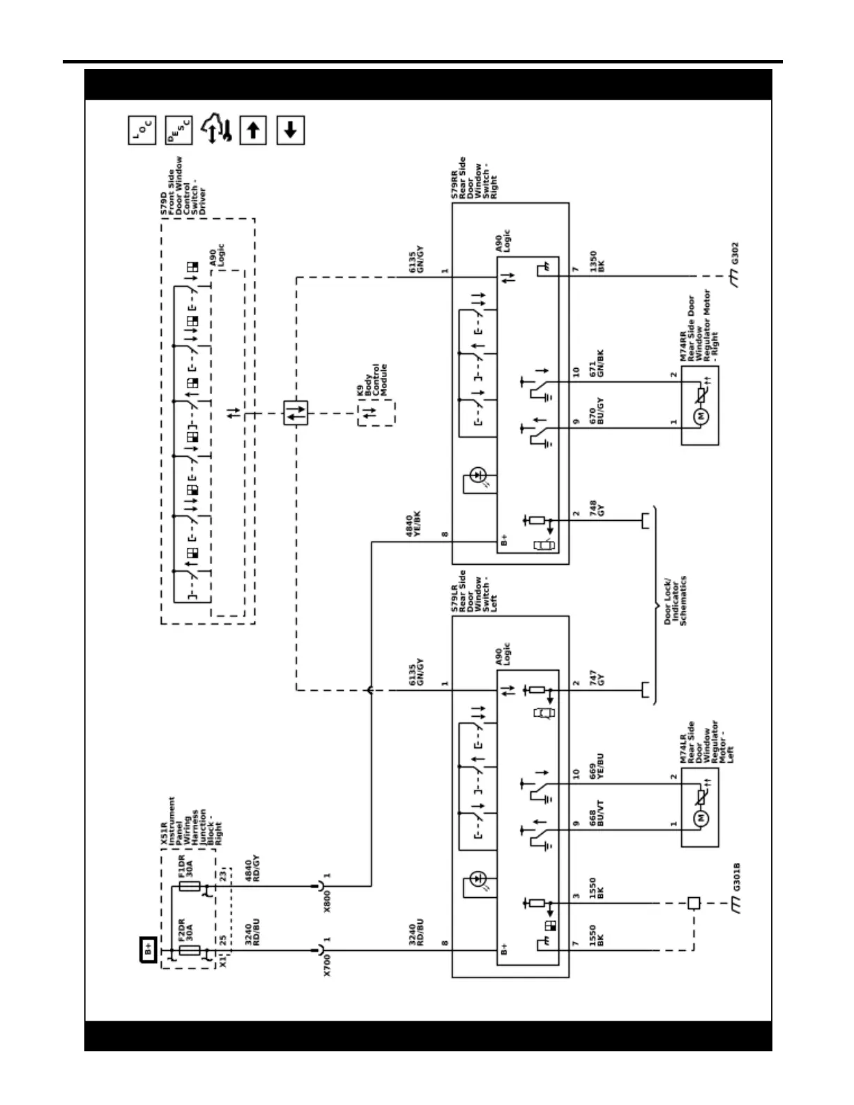
Moveable Window Schematics (Rear Windows (AEQ))
5967331
2022 - Silverado 1500 (New) Electrical Body Builder Manual