EasyManua.ls Logo

Silverado 1500 - Page 35

Silverado 1500
1110 pages
Print Icon
To Next Page IconTo Next Page
To Next Page IconTo Next Page
To Previous Page IconTo Previous Page
To Previous Page IconTo Previous Page
Loading...
Lighting 2-19
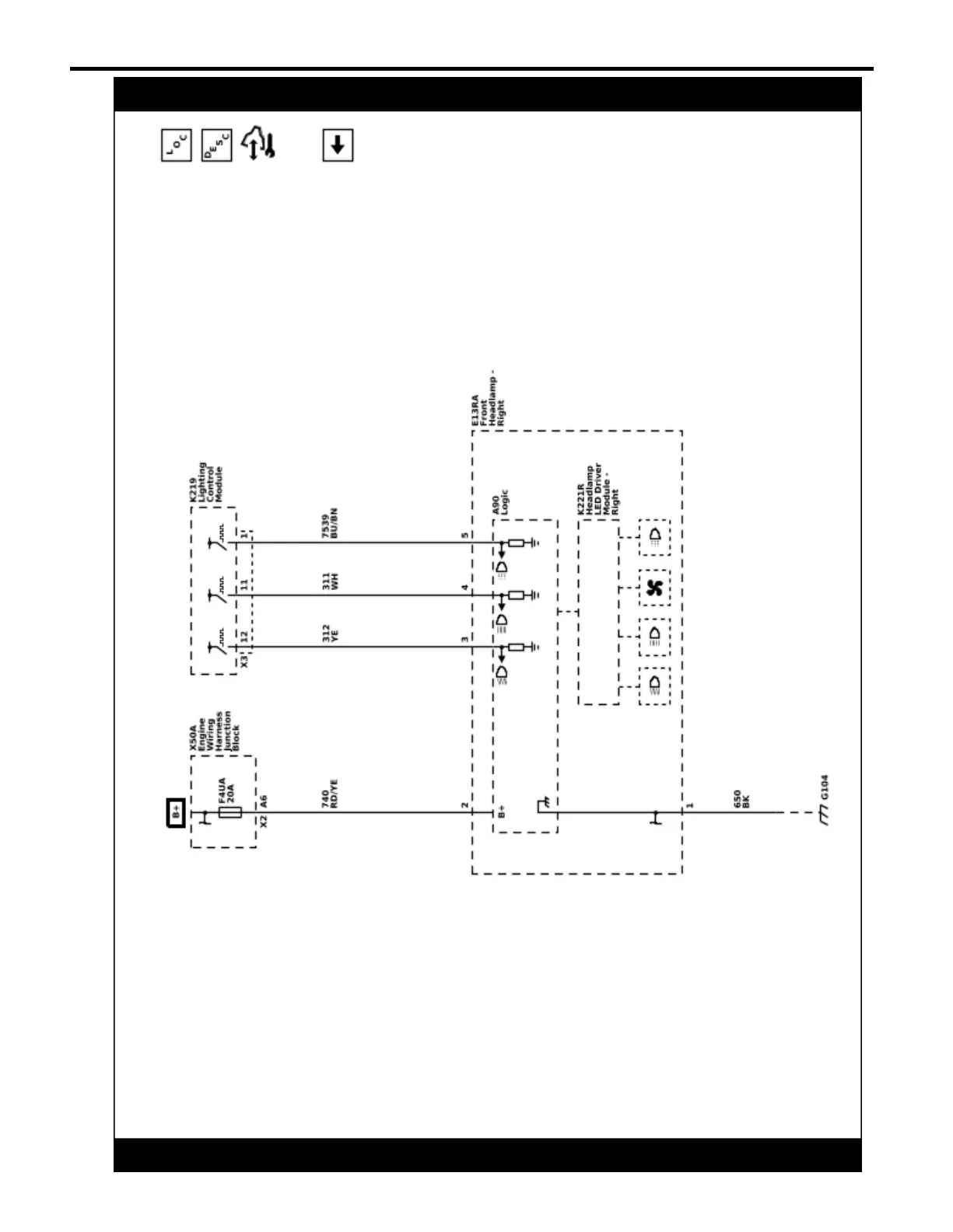
Headlights/Daytime Running Lights (DRL) Schematics (Headlamps and Daytime Running Lamps - Right (GF3/GF4/GF9/
GFC/GFD/GG0/GRZ))
5967338
2022 - Silverado 1500 (New) Electrical Body Builder Manual