EasyManua.ls Logo

Silverado 1500 - Page 71

Silverado 1500
1110 pages
Print Icon
To Next Page IconTo Next Page
To Next Page IconTo Next Page
To Previous Page IconTo Previous Page
To Previous Page IconTo Previous Page
Loading...
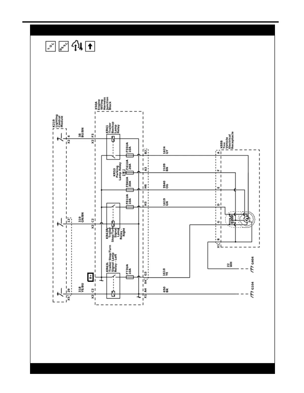
Trailering Systems 2-55
Trailering Systems Schematics (Trailer Connector Pins: A, B, D, E, F, G (Z82-UET))
5967362
2022 - Silverado 1500 (New) Electrical Body Builder Manual