EasyManua.ls Logo

Simplicity 1695266 - Page 34

Simplicity 1695266
80 pages
Print Icon
To Next Page IconTo Next Page
To Next Page IconTo Next Page
To Previous Page IconTo Previous Page
To Previous Page IconTo Previous Page
Loading...
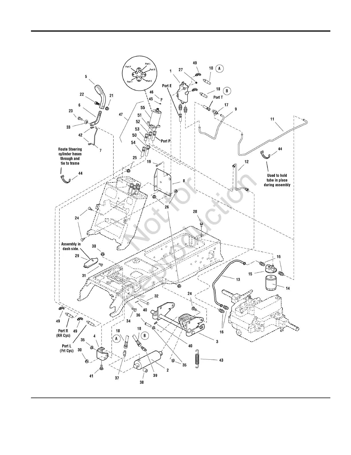
Lift Group - Hydraulic Lift with Power Steering
NOTE: Unless noted otherwise,
use the standard hardware torque
specification chart.
987668
The above parts group applies to the following Mfg. Nos.:
34
2009
Milwaukee, WI, USA. All rights reserved
© Copyright by Briggs & Stratton Corporation
2690735 - Presti
g
e
TP 400-4802-C-PR-S
Not for
Reproduction

Related product manuals