EasyManua.ls Logo

Simplicity 1695395 - Page 48

Simplicity 1695395
64 pages
Print Icon
To Next Page IconTo Next Page
To Next Page IconTo Next Page
To Previous Page IconTo Previous Page
To Previous Page IconTo Previous Page
Loading...
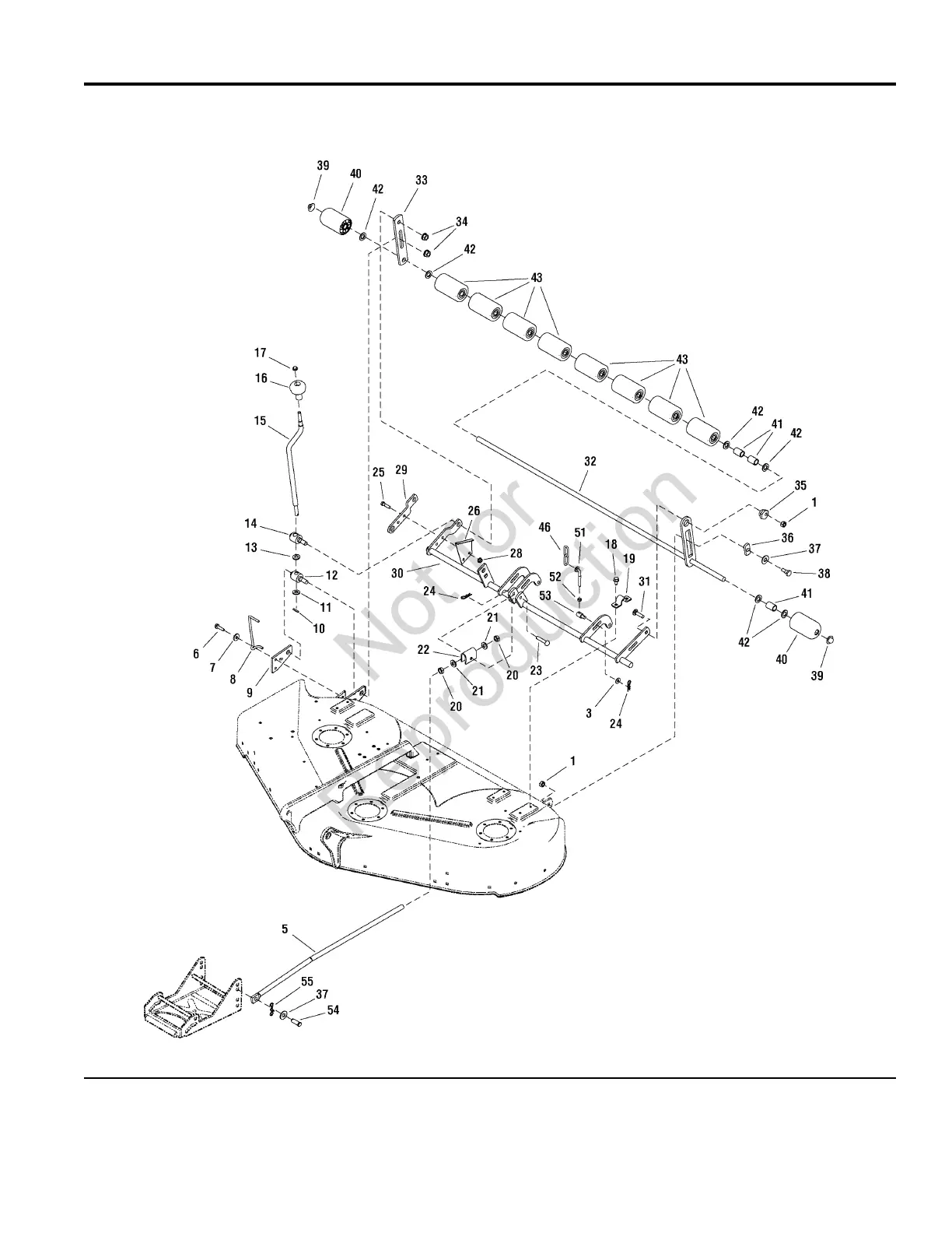
50" Mower Deck - Height Adjustment & Roller Bar Group
NOTE: Unless noted otherwise,
use the standard hardware torque
specification chart.
987642
The above parts group applies to the following Mfg. Nos.:
48
2009
Milwaukee, WI, USA. All rights reserved
© Copyright by Briggs & Stratton Corporation
2690679 - Conquest
TP 400-4805-B-CQ-S
Not for
Reproduction

Related product manuals