EasyManua.ls Logo

Sinclair KING ASH-09AK - 5 Electrical circuit diagram

Sinclair KING ASH-09AK
49 pages
Print Icon
To Next Page IconTo Next Page
To Next Page IconTo Next Page
To Previous Page IconTo Previous Page
To Previous Page IconTo Previous Page
Loading...
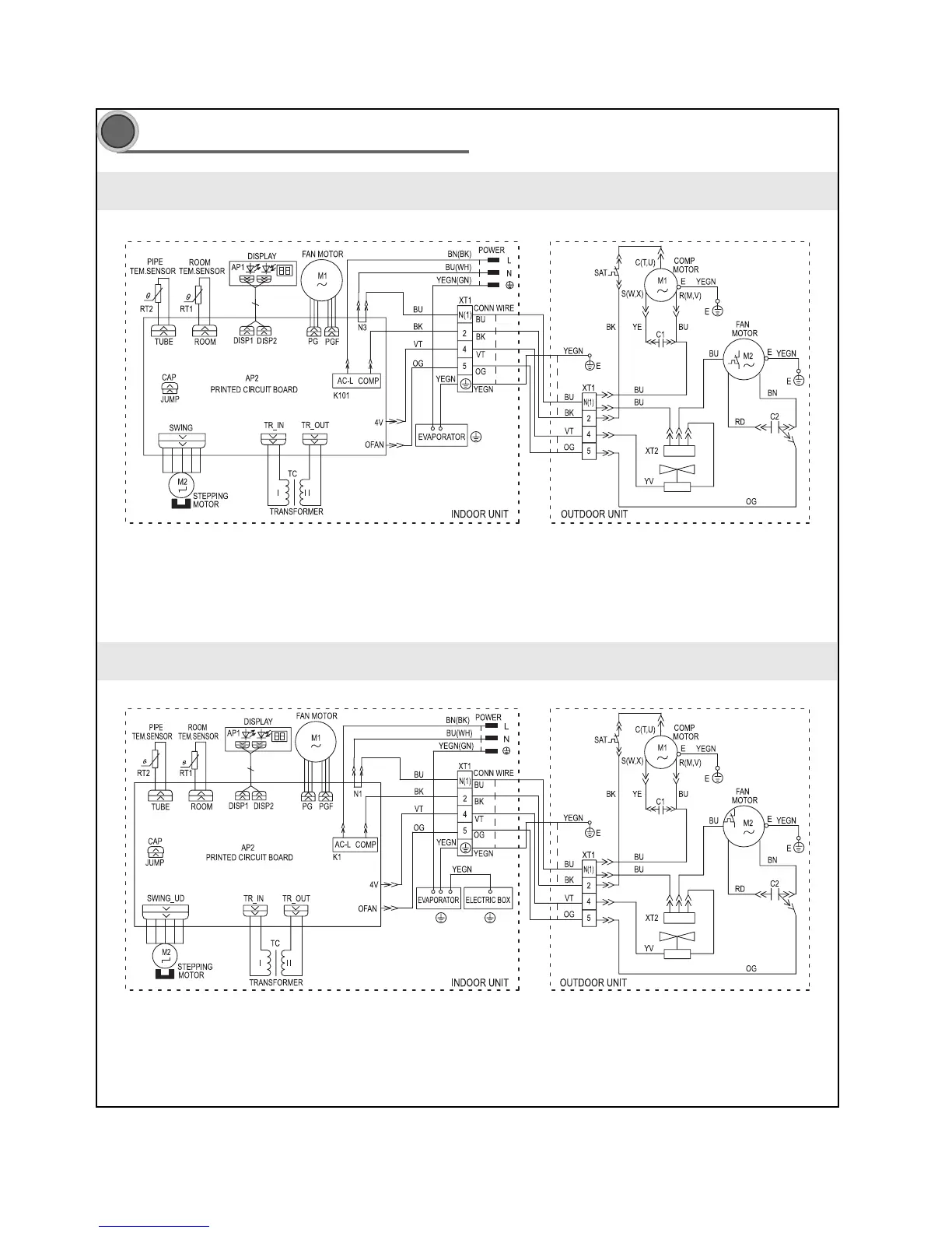
Electrical circuit diagram
Electrical circuit diagram
55
55
5
ASH-09AK
ASH-13AK

Related product manuals