EasyManua.ls Logo

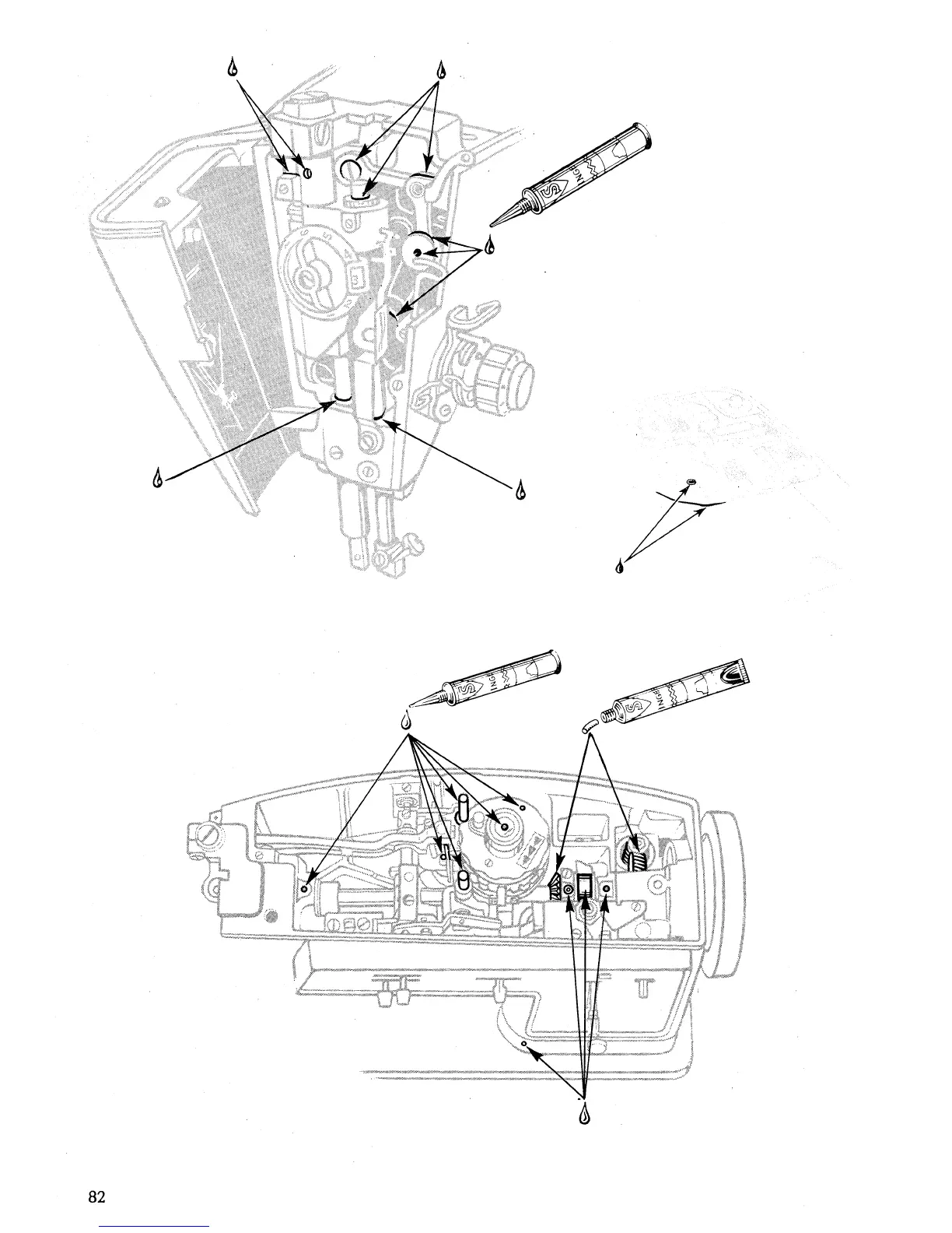
Singer 650 - Periodic Machine Maintenance; Cleaning and Oiling Behind Face Plate; Cleaning and Oiling Top of Machine; Cleaning and Oiling Bottom of Machine

Singer 650
92 pages
Print Icon
To Next Page IconTo Next Page
To Next Page IconTo Next Page
To Previous Page IconTo Previous Page
To Previous Page IconTo Previous Page
Loading...

Table of Contents

Other manuals for Singer 650

Related product manuals