EasyManua.ls Logo

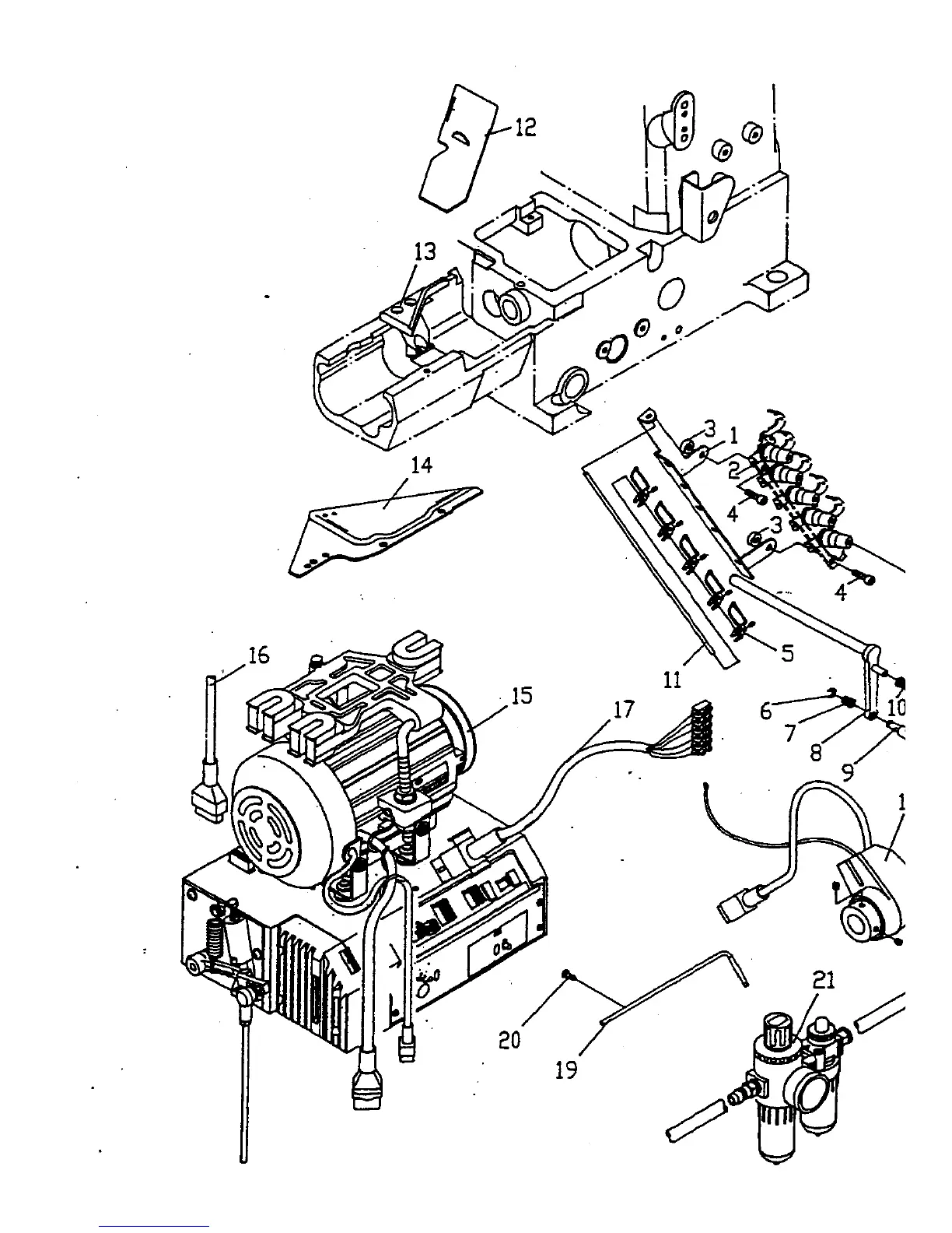
Singer ST-1 - THREAD TENSION AND MOTOR COMPONENTS

Singer ST-1
22 pages
Print Icon
To Next Page IconTo Next Page
To Next Page IconTo Next Page
To Previous Page IconTo Previous Page
To Previous Page IconTo Previous Page
Loading...

Related product manuals