EasyManua.ls Logo

Sinus Live SL-A1500 - Page 2

Sinus Live SL-A1500
Print Icon
To Next Page IconTo Next Page
To Next Page IconTo Next Page
To Previous Page IconTo Previous Page
To Previous Page IconTo Previous Page
Loading...
2
FUSE
SICHERUNG
8
7
.
5
F
M
O
N
+
+
+
-
12 V
FUSE
SICHERUNG
AMP 2 SLAVE
AMP 1 MASTER
1
2 3 4
5 6
8
7 9 10 1211
13
14
15
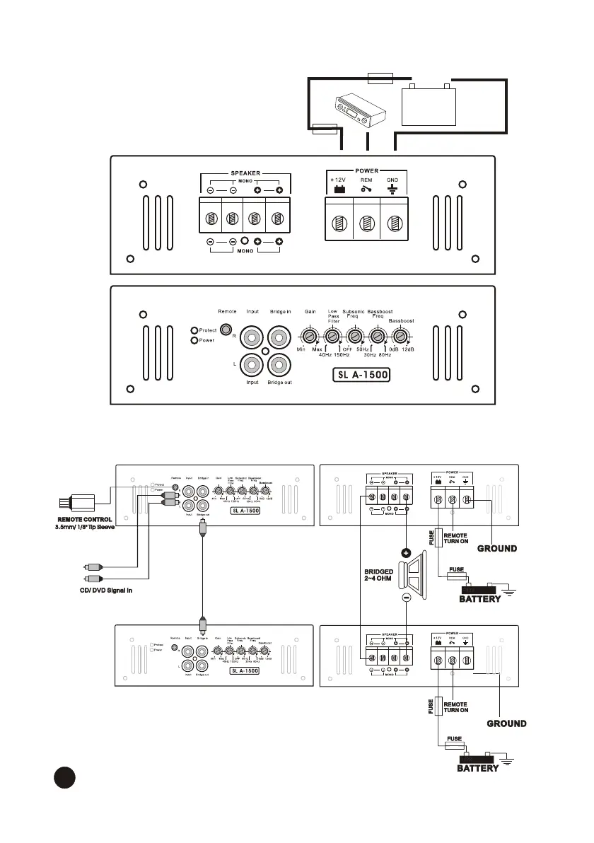
AMP Bridged Wiring Diagram

Related product manuals