EasyManua.ls Logo

Ski-Doo MX Z 440 - Page 103

Ski-Doo MX Z 440
356 pages
Print Icon
To Next Page IconTo Next Page
To Next Page IconTo Next Page
To Previous Page IconTo Previous Page
To Previous Page IconTo Previous Page
Loading...
Section 04 ENGINE
Sub-Section 03 (599 AND 779 ENGINE TYPES)
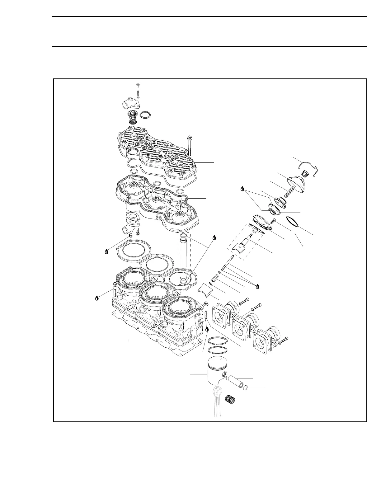
04-03-3
TOP END
A06C33S
10 N•m
(89 lbf•in)
30 N•m
(22 lbf•ft)
Loctite 242
(P / N 413 7030 00)
17
1
2
29 N•m
(21 lbf•ft)
Grease
18
19
29 N•m
(21 lbf•ft)
Grease
599 only
14
12
13
11
10
14
779
only
9
8
15
6
5
4
3
7
Molykote 111
(P / N 413 07070 00)
Loctite 648
(P / N 420 8997 88)
10 N•m
(89 lbf•in)
Grease

Related product manuals