EasyManua.ls Logo

Ski-Doo MX Z 440 - Page 92

Ski-Doo MX Z 440
356 pages
Print Icon
To Next Page IconTo Next Page
To Next Page IconTo Next Page
To Previous Page IconTo Previous Page
To Previous Page IconTo Previous Page
Loading...
Section 04 ENGINE
Sub-Section 02 (454, 583 AND 670 ENGINE TYPES)
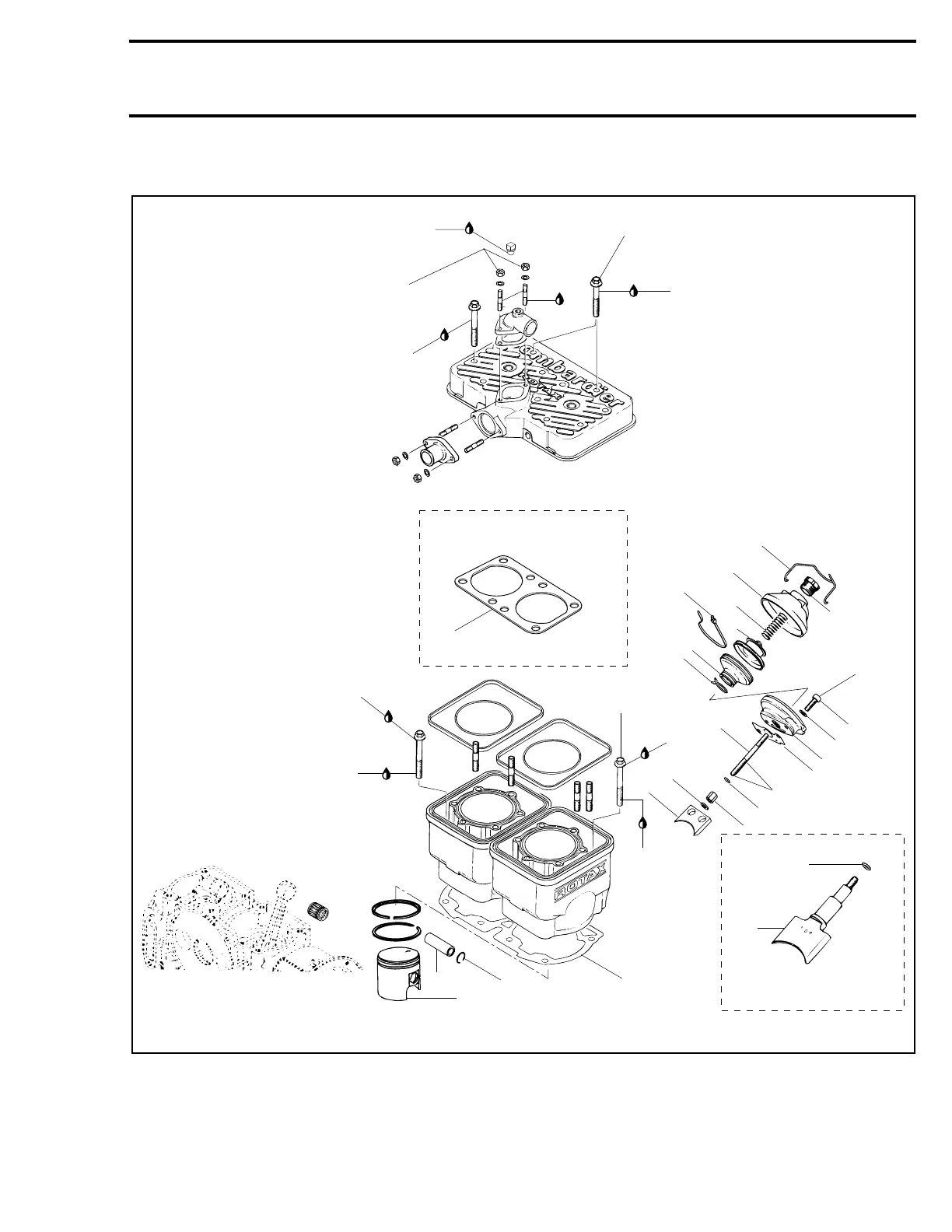
04-02-3
TOP END
A06C3BS
Pipe sealant
(P / N 413 7023 00)
2
Grease
Grease
Loctite
242
583 engine type only
Grease
30 N•m
(22 lbf•ft)
Loctite
242
30 N•m
(22 lbf•ft)
Grease
Loctite
242
454 and 670
engine types only
10 N•m
(89 lbf•in)
1
10 N•m
(89 lbf•in)
2
21
3
5
6
8
7
9
10
4
11
12
13
14
15
17
16
19
18
20
23
22
24
25
17
20

Related product manuals