EasyManua.ls Logo

Ski-Doo MX Z 440 - Page 97

Ski-Doo MX Z 440
356 pages
Print Icon
To Next Page IconTo Next Page
To Next Page IconTo Next Page
To Previous Page IconTo Previous Page
To Previous Page IconTo Previous Page
Loading...
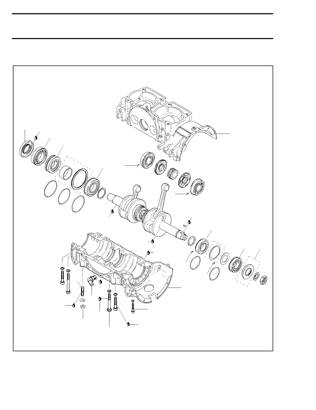
Section 04 ENGINE
Sub-Section 02 (454, 583 AND 670 ENGINE TYPES)
04-02-8
BOTTOM END
TYPICAL
A06C3CS
1
2
2
4
5
Lithium
grease
3
4
454
and
670
engines
only
Anti-seize
lubricant
Anti-seize
lubricant
Loctite
515
Loctite
242
6
6
454
and
670
engines
only
7
2
2
Except
454
and 670.
See CDI
SYSTEM
8
10 N•m
(89 lbf•in)
Loctite
242
24 N•m
(18 lbf•ft)
Loctite
242
10
11
13
38 N•m
(28 lbf•ft)
Loctite
242
12
24 N•m
(18 lbf•ft)

Related product manuals