EasyManua.ls Logo

Skyjack SJ 3220 - Page 80

Skyjack SJ 3220
130 pages
Print Icon
To Next Page IconTo Next Page
To Next Page IconTo Next Page
To Previous Page IconTo Previous Page
To Previous Page IconTo Previous Page
Loading...
SJIII Conventional Series
143911
SKYJACK, Page 37
A B C D E F G H
V
Z
Y
X
W
M149743AA
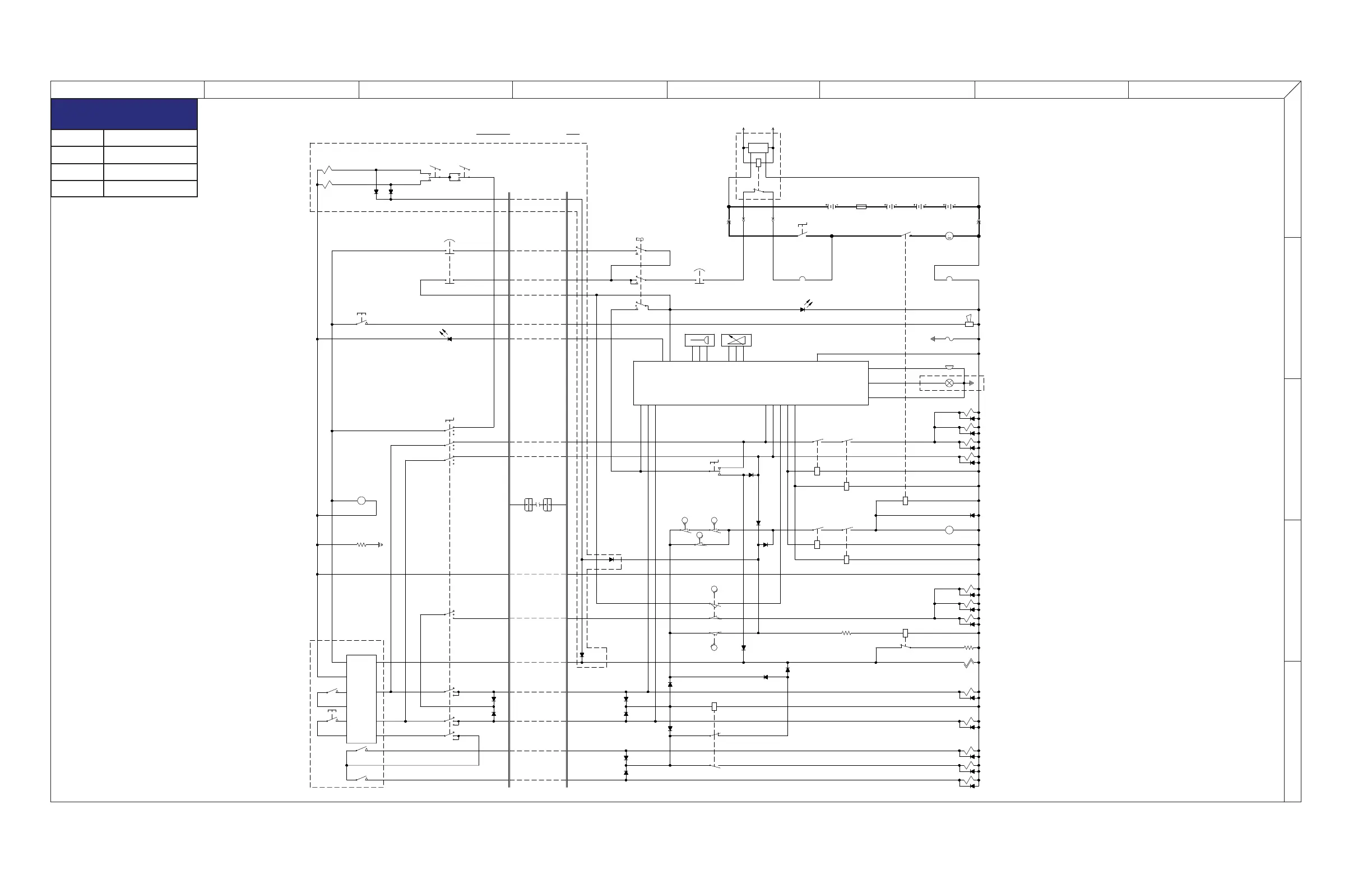
3.25b Electrical Schematic (Models 322x CE - Equipped with all options)
AC
Serial Breakdown
Reference Chart
Model Serial Number
SJ3 3220 60002137 & below
SJ3 3226 27006058 & below
SJ3 46XX 70006693 & below
LIMIT SWITCHES N.C.H.O.
POTHOLE PROTECTION
1972
LS5
71
LS4
CUTOUT RELAY
CHARGER
L1CR
LINE VOLTAGE
110 VAC
BC
SWITCH
UP/DOWN
BATTERY
6VB1
FUSE
300A
F1
DISCONNECT
MAINS1
BATTERY
B4 6V
BATTERY
B3 6V
BATTERY
B2 6V
S2
PROTECTION
LOW VOLTAGE
LIMIT SWITCHES
HIGH SPEED
CONTACTOR
MOTOR
C1
BREAKER
10A CIRCUIT
LIMIT SWITCH N.C.
DRIVE OVERRIDE
N.O.
N.C.
N.C.
CB2
DO2-12
DO2-13
4H-24
40
3H-17A
39
DO2-10
37
4H-23
38
DO2-11
RIGHT SOLENOID
FORWARD SOLENOID
LEFT SOLENOID
BRAKE SOLENOID
36
35
DO2-9
4H-15
32
33
34
SOLENOID
PROPORTIONAL
REVERSE SOLENOID
TRANSFER RELAY
4H-16
31
30
29
DO2-8
DO2-7
3H-18A-2
28
27
3H-18A-1
DO2-6
2H-18A
SPEED A SOLENOID
RELAY
SPEED B SOLENOID
DIFF. SOLENOID
PROPORTIONAL
19B
25
24
26
TT
DO2-5
23
22
MOTOR CONTACTOR
AUX. TILT RELAY
TILT RELAY
HOURMETER
59 59A
RST2
D17C-1
59
17A
17B
17C
17B
D23
D24
D17
02
17CR
D17C
17
59
D14E-1
LS1A
D16
D15
17
D17-1
02
21A
RST3
21ACR
28CR1
02
0219B
19BCR
28
28ECR1
19A19
0228E
28CR2
21
21
18A
71
18
LS1B
18B
7A
D21
19
D14
LS6
71
3H-14
20
19
DO2-4
17
2H-13B
18
16
DO2-2
2H-13B-1
DO2-1
DO2-3
DOWN SOLENOID
SINGLE CYLINDER
TWO CYLINDERS
HOLDING VALVE
UP SOLENOID
AUX. DOWN RELAY
22
15
14
00
29
13
11
12
02
BP-29
BEEPER
FLASHING LIGHT
OPTION
2H-13B-2
HOLDING VALVE
9
10
00
CB1
7
6
02
8
10A CIRCUIT
BREAKER
DCM1
4
3
M 5
2
1
00
CHARGER
PACK
BATTERY
PUMP MOTOR
02
13B
28
02
28ECR2
28E
13A13
P3-6 = 28E
P2-10 = 18B
P3-4 = 28
P2-12 = 7A
P2-11 = 02
P3-2 = 29
P3-5 = 02
P3-1 = 22
14
D14E-2
14E
13
10E
13
P2-4 = 13
P4-6 = 910
P4-8 = 902
P4-3 = 28B
P2-8 = 15
P2-7 = 16
P2-2 = 10E
MODULE
CONTROL
CM1
P4-7 = 900
P4-2 = 60A
P4-9 = 910A
P2-3 = 14
AT1
TRANSDUCER
ANGLE
03
3A
PT1
PRESSURE
TRANSDUCER
24V
FL-22
21
DOWN RELAY
24V CHARGER
24
16
23
15
59
D21B-1
18
02
D21B-2
14
13
60
7A
21B
2H-59
8A
NCHO
ENABLE
S7-6
02
60
02
LED-1
LIGHT
POWER ON/LSS
GREEN/WHITE
GREEN/BLACK
RED
ORANGE
BLACK
CRD2CRD1 CRD3
WHITE
RED/BLACK
ORANGE/BLACK
WHITE/BLACK
BLUE
BLACK/WHITE
BLUE/BLACK
RED/WHITE
BLUE/WHITE
GREEN
OUTPUT
NUETRAL
S7-1
8C
8C
07
24
D15-1
D16-1
16
23
B
S7-3
LEFT
S7-2
REV/DN
12B
RIGHT
23
24
15
59
18
02
A
59
60
13
14
02
V
INDICATOR
BCI
RST1
2.7K OHMS
00
PWM
JOYSTICK
S7
08
SWITCH
HORN
S8
BATTERY CHARGE
07
7A
49
21B
STOP
EMERGENCY
S4
D27D26
21B
RETRACT SOLENOID
08
7A
NOHC
A
B
NOHC
NO
7B
NCHO
NCHO
08
JOYSTICK PCB
LIFT/DRV LOW/DRV HI
(IN LIFT POSITION)
NOHC
08
S3
09
09
S12
9A
EXT
S11
27
RET
SWITCH
EXTEND/
RETRACT
26
SWITCH
ENABLE
4H-26
4H-27
EXTEND SOLENOID
POWERED PLATFORM OPTION
CONTROL BOX
16
15
18
14
13
12B
A
B
8A
08
02
02
02
FWD/UP
ENABLE
08
49
60
5A
EMERGENCY
S28
SWITCH
STOP
S10
KEY SWIT
CH
IDLE/PLTF/BASE
(IN IDLE POSITION)
8C
07
05
NCHO
NCHO
07
5A
07
8C
7A
10E
02
LED-2
POWER ON LIGHT
7A
NO
POWER ON LED
HORN
49
H1
HORN
49
P3-3 = 60
41
42
02
BASE

Table of Contents

Other manuals for Skyjack SJ 3220

Related product manuals