EasyManua.ls Logo

Softena SOF-RO-1 - Page 44

Default Icon
48 pages
Print Icon
To Next Page IconTo Next Page
To Next Page IconTo Next Page
To Previous Page IconTo Previous Page
To Previous Page IconTo Previous Page
Loading...
© 2018 erie water treatment PP-SOF-RO-Rev2018.03
1
2
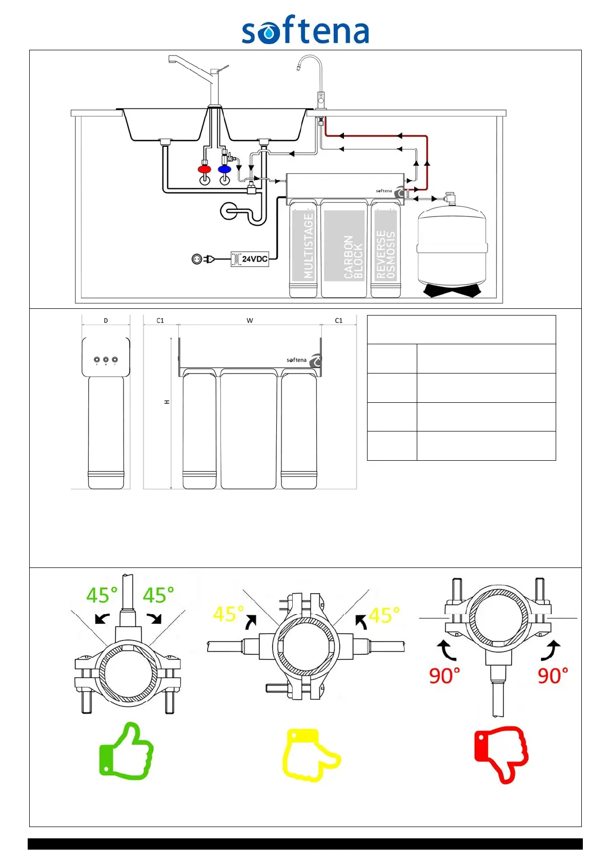
SOF-RO-1
W 407 mm / 16.24”
H 435 mm / 17.13”
C1 min. 75 mm / 2.95”
D 135 mm / 5,31”
3