EasyManua.ls Logo

Sony BKE 9400A - Page 45

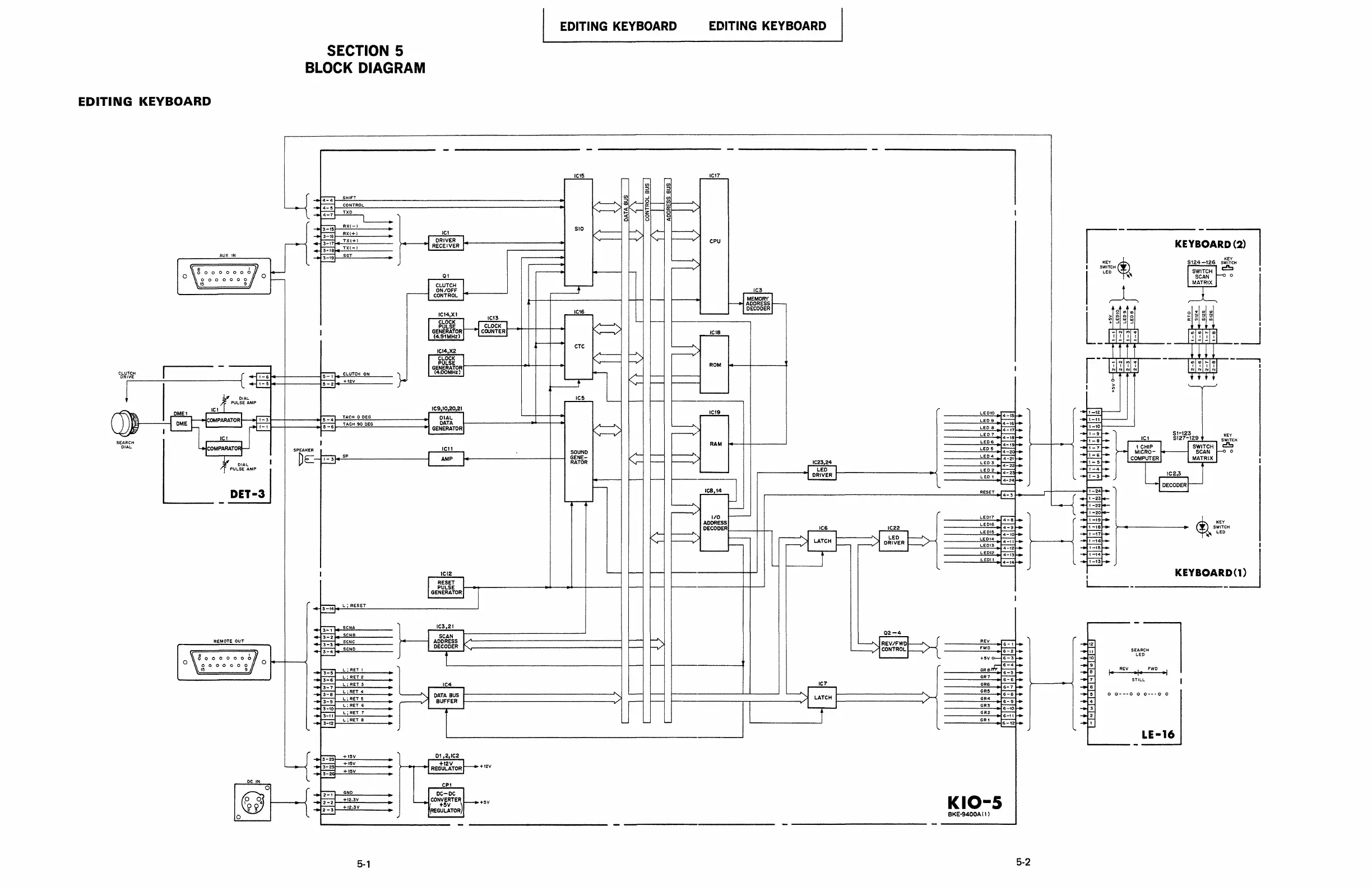
Sony BKE 9400A
86 pages
Print Icon
To Next Page IconTo Next Page
To Next Page IconTo Next Page
To Previous Page IconTo Previous Page
To Previous Page IconTo Previous Page
Loading...
316863003 BKE-9400A S/M

Related product manuals