EasyManua.ls Logo

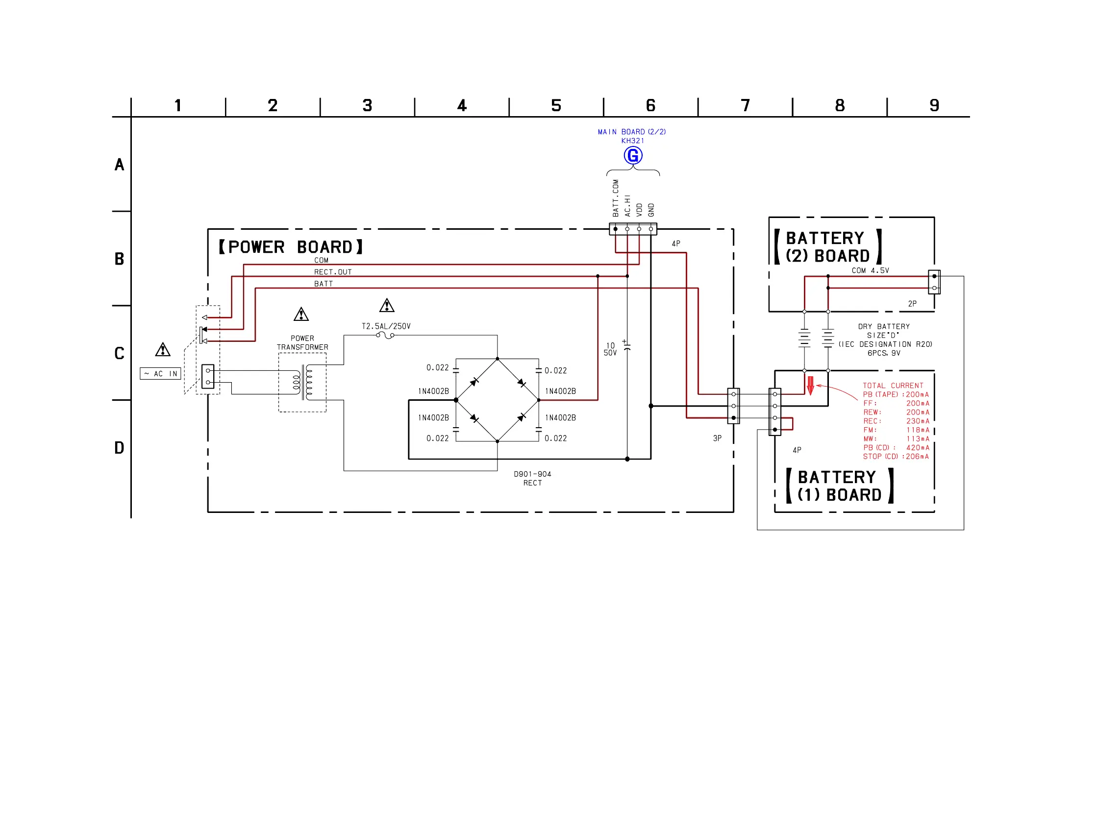
Sony CFD-S100L - Schematic Diagram: Power Supply Section; AC Power Input and Transformer; Battery Power Input and Management

Sony CFD-S100L
11 pages
Print Icon
To Previous Page IconTo Previous Page
To Previous Page IconTo Previous Page
Loading...
CFD-S100L
3434
CNP901
C906
CNP902
C904
D904
D903
C903
C902
D902
D901
C901
J901
CNB901
T901
CNP904
F902
6-19. SCHEMATIC DIAGRAM — POWER SUPPLY SECTION — • Refer to page 20 for Common Note on Schematic Diagrams.
(Page 26)