EasyManua.ls Logo

Sony CFD-S100L - Page 9

Sony CFD-S100L
11 pages
Print Icon
To Next Page IconTo Next Page
To Next Page IconTo Next Page
To Previous Page IconTo Previous Page
To Previous Page IconTo Previous Page
Loading...
CFD-S100L
3030
R404
R406
R407
R409
R410
R403
R405
R408
R411
R412
R413
R414
R423
R424
R425
R426
R427
CNP401 CNP402
S427
S425
S424S409
S410
S411
S403
S404
S405
S406
S407
S408
R401
R402
S401
S402
JC402
JC401
CNP405
CNP404
CNP403
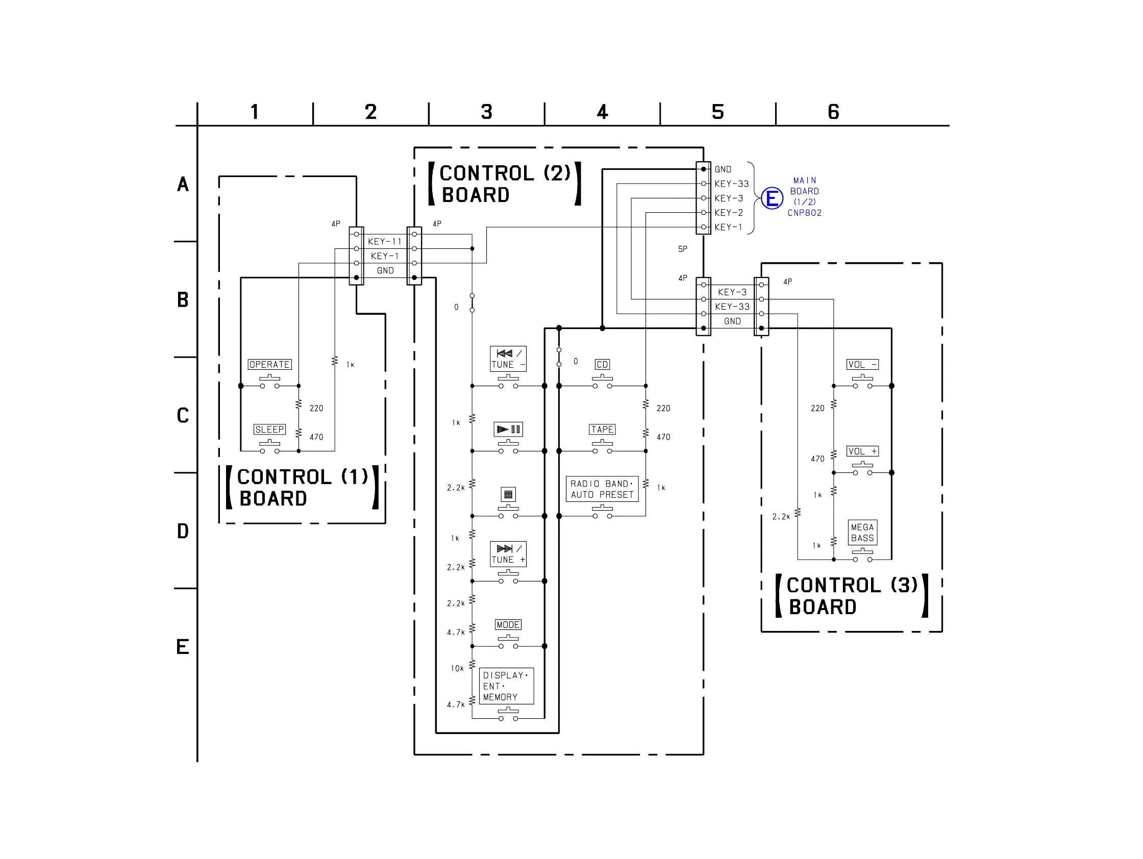
6-15. SCHEMATIC DIAGRAM — CONTROL SECTION — • Refer to page 20 for Common Note on Schematic Diagrams.
(Page 25)

Related product manuals