EasyManua.ls Logo

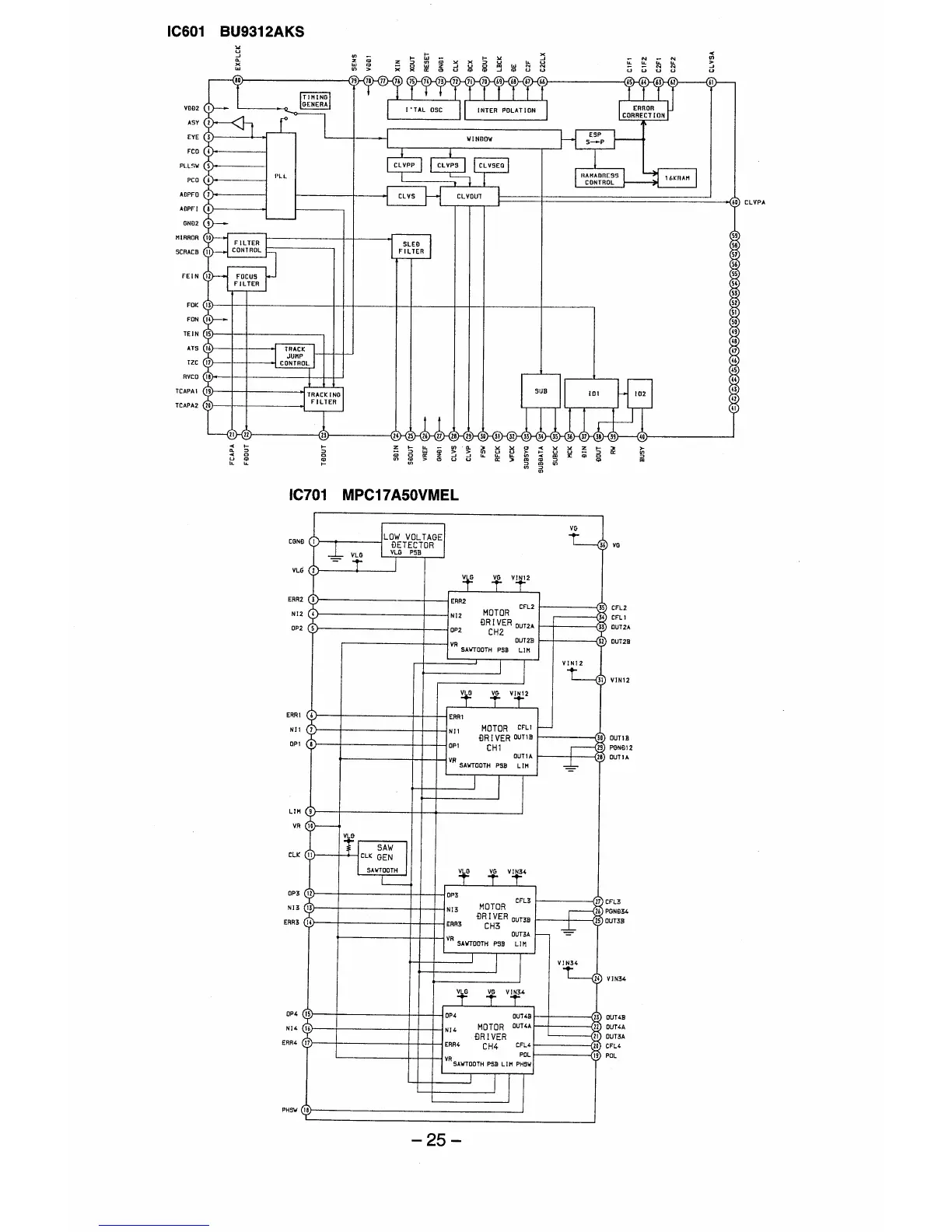
Sony D-151 - Additional IC Block Diagrams

Sony D-151
40 pages
Print Icon
To Next Page IconTo Next Page
To Next Page IconTo Next Page
To Previous Page IconTo Previous Page
To Previous Page IconTo Previous Page
Loading...

Related product manuals