EasyManua.ls Logo

Sony DSC-W80 - Page 17

Sony DSC-W80
36 pages
Print Icon
To Next Page IconTo Next Page
To Next Page IconTo Next Page
To Previous Page IconTo Previous Page
To Previous Page IconTo Previous Page
Loading...
4-12
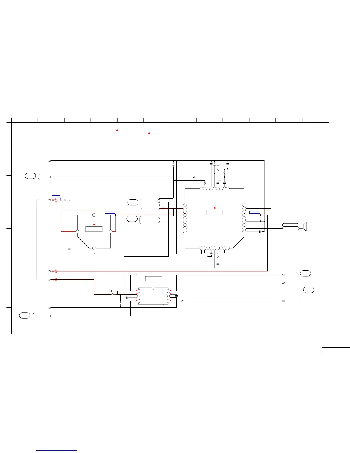
DSC-W80/W85_L3
SY-173 (7/10)
MAX_5.0V
A_3.0V
AU_AVCC
L601
XX
C620
XX
NO MARK:REC/PB MODE
:Voltage measurement of the CSP ICs
and the Transistors with mark, are
not possible.
-1.3
-2.7
0
1.5
2.9
3
3.1
IC602
BH76812FVM-TR
1
CPC1
2
VCC
3
VIN
4
PS
5
VOUT
6
GND
7
-VCC
8
CPC2
A_3.0V
XCS_AUDIO
XIC_211_2_SCK
REG_GND
C605
1u
C617
0.47u
D601
MA2S111-(K8).SO
C613
0.01u
C610
0.022u
IC_211_CVOUT
C616
10u
C609
1u
V_LINE_OUT
REG_GND
C614
0.01u
MIC_SIG
IC_211_AUOUT
C618
10u
C608
1u
IC_211_2_SO
AU_LINE_OUT
C611
0.1u
IC603
BH6414GLU-E2
A1
NC
B1
BEEPIN
C3
NC
C1
SPIN
C2
EVROUT
D1
LINEOUT
D2
MUTETROUT
E1
MUTEGND
E2
AGND
F1
XLINE_MUTE
F2
RESET
D3
TEST
F3
SDATA
E3
SCLK
F4
DVDD
E4
SEN
F5
AVCC
E5
LINEIN
F6
NC
E6
MICOUT
D4
NC
D6
ABIAS
D5
TAU
C6
ALCIN
C5
PREOUT
B6
MICIN
B5
REG
A6
NC
A5
SP+
C4
NC
A4
SPVCC
B4
NC
A3
SPGND
B3
NC
A2
SP-
B2
SPBIAS
C612
0.01u
C606
0.1u
C615
0.01u
C607
1u
R603
68
VIDEO_AMP_ON
IC_211_AUIN
R605
470k
C604
1u
AU_AVCC
R601
10
IC601
TK63728AB1G0B
A1
GND
B1
Vout
B2
Vin
A2
Vcont
R611
12k
R608
3300
R607
1800
R604
390
C603
10u
D_3.0V
MAX_5.0V
LND701
LND702
(MIC_GND)
AUDIO AMP
2.9V REG
VIDEO AMP
SP+
SP-
SP901
SPEAKER
(10/10)
@47
(5/10)
@30
(10/10)
@46
(5/10)
@33
(9/10)
(4/10)
@25
(5/10)
@39
(10/10)
11641
XX MARK:NO MOUNT
H
B
F
G
E
12983
D
72
C
AUDIO, VIDEO
510
05
A
IC603
IC601
IC602
SY-173 BOARD (7/10)

Related product manuals