EasyManua.ls Logo

Sony HDCU3500 - Page 6

Sony HDCU3500
89 pages
Print Icon
To Next Page IconTo Next Page
To Next Page IconTo Next Page
To Previous Page IconTo Previous Page
To Previous Page IconTo Previous Page
Loading...
6
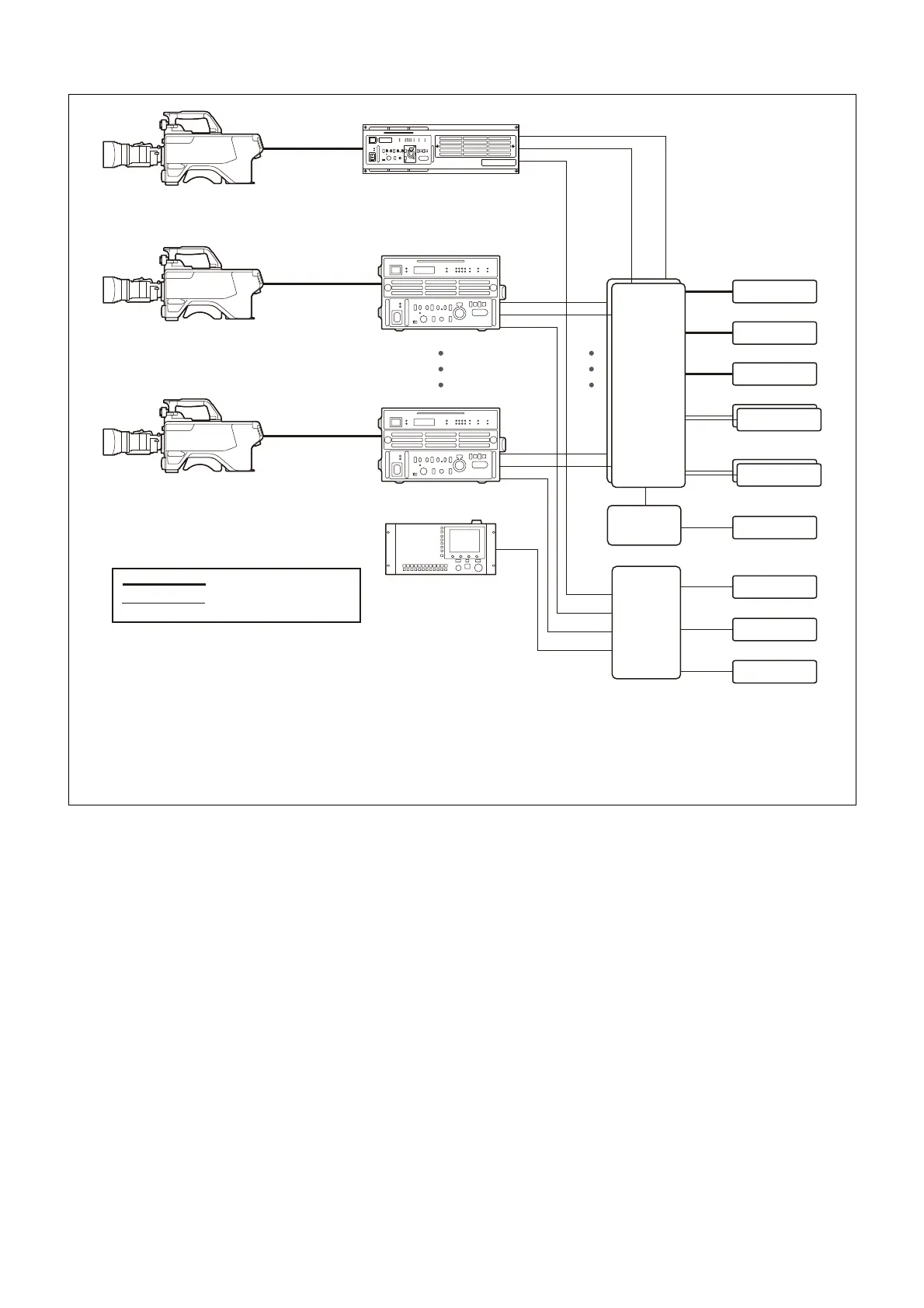
Connection example (IP connection)
a) Signal transfer up to a maximum of 4 km is possible when using the HDCU5000, or 2 km when using the HDCU5500/3500. However, the actual transfer
distance may vary depending on the system configuration of the cameras and the type of optical fiber cables used.
b) HDC2000 series (HDC2000/2580/2500/2400/1700) support optical fiber connection.
c) Install the HKCU-SFP50 ST 2110 Interface Kit.
d) Connect to the LAN 1 and LAN 2 connectors of the HKCU-SFP50 ST 2110 Interface Kit.
e) Connect to the LAN COM connector of the HDCU5000/5500/3500.
f) To support SNMP monitoring, install HZCU-SNMP50 SNMP Agent Software (option).
g) To support Ember+ control, install HZCU-CNFG50 Config Control Software (option).
HDCU3500
c)
MSU-1000 series
Master Setup Unit
HDCU5500
c)
Optical fiber cable
LAN cable
d)
d)
e)
d)
d)
e)
Supported cameras
a)
HDC3500/3100, HDC2000 series
b)
Audio Mixer
Multi Viewer
Video Server
PTP Master × 2
IP Live System
Manager × 2
IP Intercom
IP Tally System
SNMP Manager
f)
Ember+ software
g)
IP switch
10G/25G
× 2
IP switch
1G
IP switch
10G/1G
Supported cameras
a)
HDC5500
HDC3500 with HKC-FB50 installed
HDCU5000
c)
Supported cameras
a)
HDC5500
HDC3500 with HKC-FB50 installed
d)
d)
e)