EasyManua.ls Logo

Sony HT-SL800 - Page 12

Sony HT-SL800
84 pages
Print Icon
To Next Page IconTo Next Page
To Next Page IconTo Next Page
To Previous Page IconTo Previous Page
To Previous Page IconTo Previous Page
Loading...
12
GB
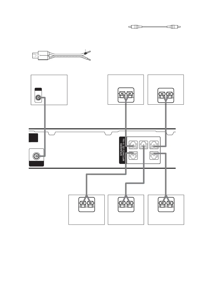
Required cords
A Speaker cords (supplied)
7KHFRQQHFWRUDQGWKHFRORXUWXEHRIWKHVSHDNHU
FRUGVDUHWKHVDPHFRORXUDVWKHVSHDNHUWHUPLQDO
WREHFRQQHFWHG
B Monaural audio cord (supplied)
Black
Note
%HIRUH\RXFRQQHFWWKHVSHDNHUVDWWDFKWKHFRORXUODEHOVRQWRWKHVSHDNHUVVRWKDW\RXFDQLGHQWLI\WKHVSHDNHUVWR
EHFRQQHFWHG
+
Colour tube
FRONT R
– + +
FRONT L
+ –+ –
SURR R SURR L
– +
CENTER
SUB
WOOFER
OUT
MONITOR
OUT
E
e
A
INPUT
B
E
e
A
E
e
A
Ee
A
Ee
A
Front speaker
(Right)
Front speaker
(Left)
Subwoofer
Surround speaker
(Right)
Surround speaker
(Left)
Center speaker