EasyManua.ls Logo

Sony KDF-E42A10 - Page 15

Sony KDF-E42A10
241 pages
Print Icon
To Next Page IconTo Next Page
To Next Page IconTo Next Page
To Previous Page IconTo Previous Page
To Previous Page IconTo Previous Page
Loading...
– 14 –
KDF-E42A10/E50A10
K RM-YD003 RM-YD003
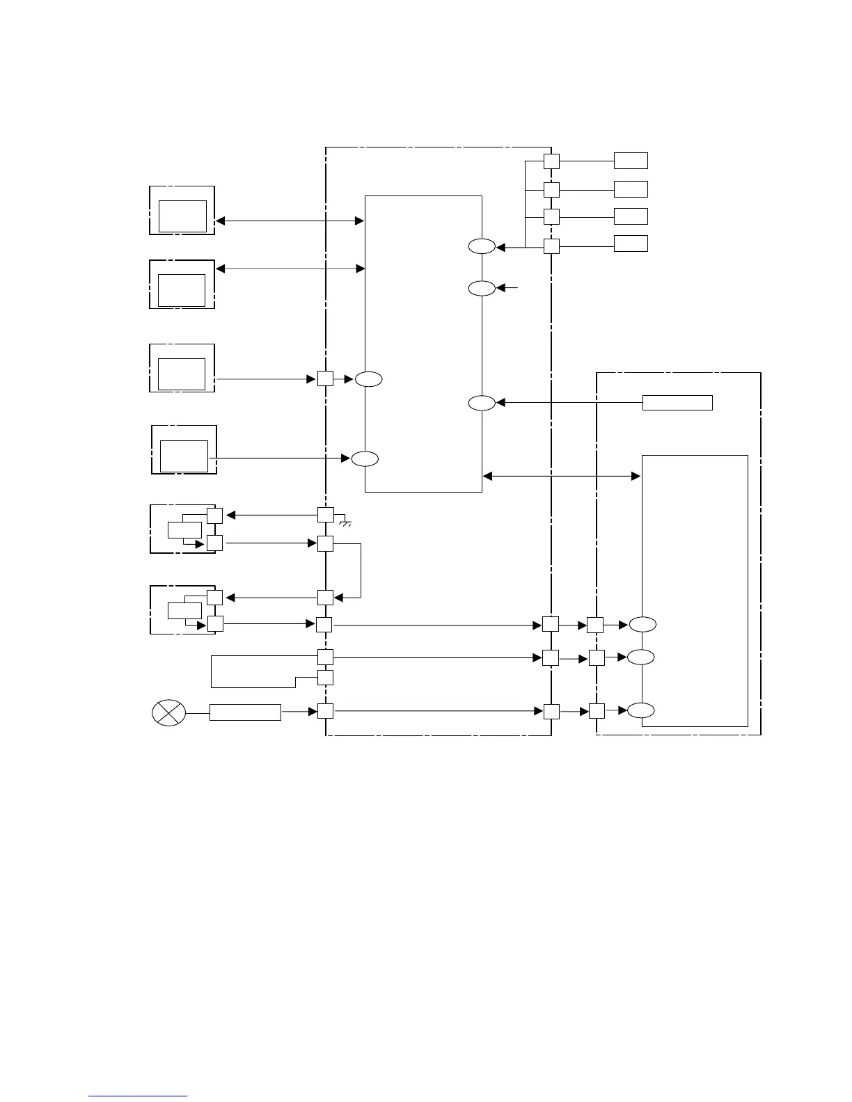
BLOCK DIAGRAM
S2 board
AGU board
IC8002
TV Micro-computer
Fan1
Fan2
Fan3
Fan4
B board
K board
QM board
T2 board
T1 board
4
IC7180
Temp.
Sensor
7
10
13
CN8002
Audio
Amp.
ATSC
10.5V
3
1
2
1
3
1
SW
SW
HV-DET
Lamp Driver
IIC-TV
13
149
126
38
128
127
+12V
CN8403
CN8003
CN8003
CN8003
CN8410
CN8410
CN8410
Lamp
14
15
13
12
7
8
5
7
8
5
7
133
134
132
LAMP COVER
LAMP-HV-DET
LAMP-PROT
IIC
IC4100
BE Micro-computer
B_12V
FAN-ERR
LB-ERR
SP_PROT
HB board
Temp.
Sensor
IIC-TV
BE-OVP
ATSC-OVP
IIC
IC7021

Table of Contents

Other manuals for Sony KDF-E42A10

Related product manuals