EasyManua.ls Logo

Sony Trinitron KV-29LS30E - Page 6

Sony Trinitron KV-29LS30E
7 pages
Print Icon
To Next Page IconTo Next Page
To Next Page IconTo Next Page
To Previous Page IconTo Previous Page
To Previous Page IconTo Previous Page
Loading...
35 36 37
KV-29LS30/35
[9-927-403-01]
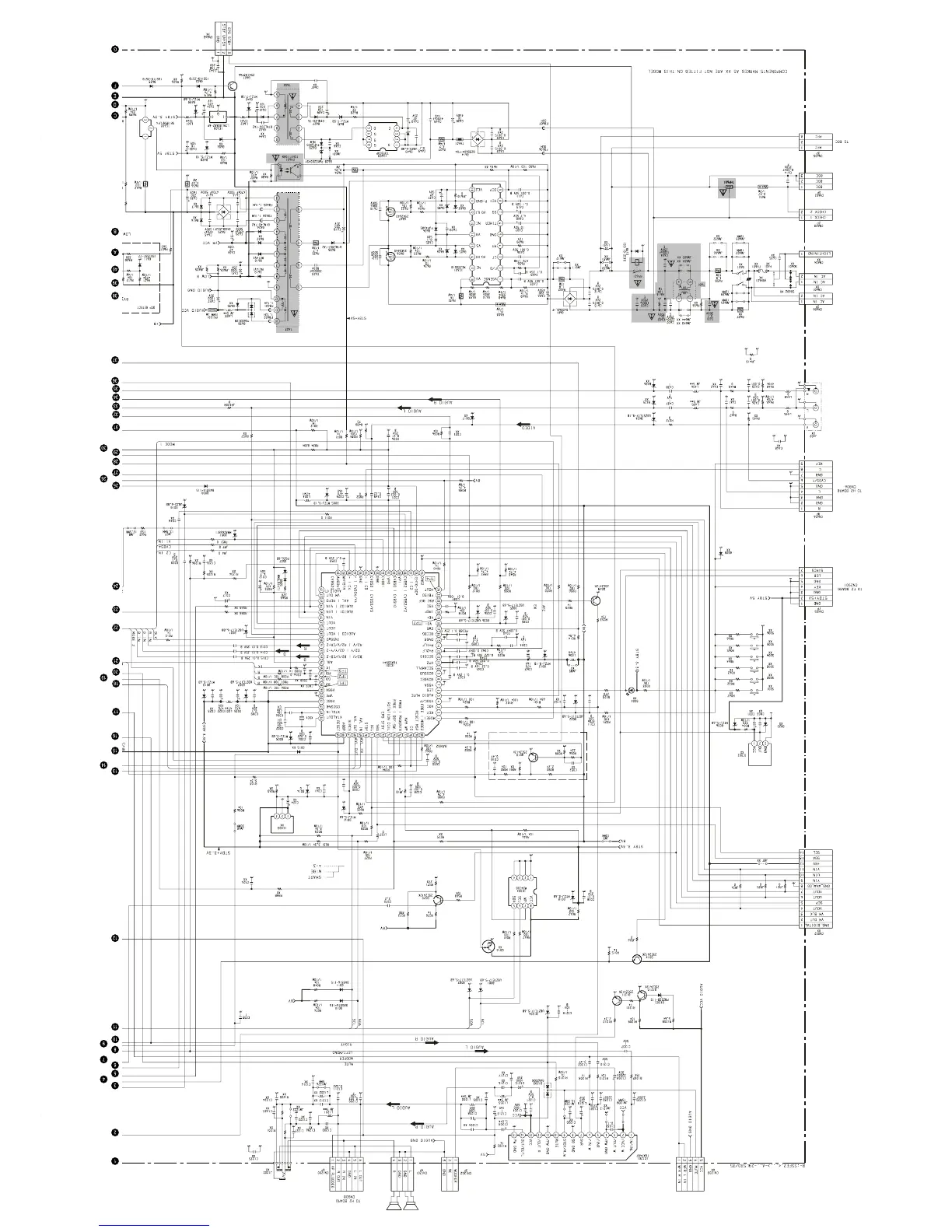
A [ POWER SUPPLY, DEFLECTION, AUDIO AMPLIFIER (Page 1/2) ]

Related product manuals